Данная работа представляет собой пояснительную записку к курсовому проекту по дисциплине «Проектирование автоматизированных систем». В документе подробно описан технологический процесс подогрева раствора щелочи NaOH, проведен анализ объекта автоматизации, обоснован выбор комплекса технических средств (датчики уровня, давления, температуры, расходомеры, контроллеры ОВЕН), а также представлены схемы автоматизации и электрические принципиальные схемы.
- Титульный лист
- Задание на курсовой проект
- Оглавление
- Введение
- 1. Общее описание технологического процесса
- 2. Описание технических средств
- Измерение уровня:
- Измерение температуры:
- Измерение давления:
- Измерение расхода воды:
- Регулирование подачи раствора:
- Система питания и управления:
- Контроллер:
- Модули ввода/вывода:
- Заключение
- Список литературы
- Приложения
Титульный лист
Министерство науки и высшего образования Российской Федерации
Федеральное государственное бюджетное образовательное учреждение высшего образования
ИРКУТСКИЙ НАЦИОНАЛЬНЫЙ ИССЛЕДОВАТЕЛЬСКИЙ ТЕХНИЧЕСКИЙ УНИВЕРСИТЕТ
Институт заочно-вечернего обучения
Кафедра автоматизации и управления
Допускаю к защите
Руководитель: А.А. Колодин
Автоматизация процесса подогрева раствора NaOH
ПОЯСНИТЕЛЬНАЯ ЗАПИСКА к курсовому проекту по дисциплине «Проектирование автоматизированных систем»
1.021.00.00.ПЗ
Выполнил студент группы АТбз-18-1: Е.С. Шилин
Нормоконтроль: А.А. Колодин
Иркутск 2023 г.
Задание на курсовой проект
Министерство науки и высшего образования Российской Федерации
ИРКУТСКИЙ НАЦИОНАЛЬНЫЙ ИССЛЕДОВАТЕЛЬСКИЙ ТЕХНИЧЕСКИЙ УНИВЕРСИТЕТ
ЗАДАНИЕ НА КУРСОВОЙ ПРОЕКТ
По дисциплине «Проектирование автоматизированных систем»
Студенту гр. АТбз-18-1 Шилину Е.С.
Тема проекта: Автоматизация процесса подогрева раствора NaOH
- Исходные данные: технологический регламент процесса, учебная литература, справочники по специальности, номенклатурные каталоги фирм-производителей ТСА и т.д.
- Содержание расчетно-пояснительной записки: характеристика технологического процесса, анализ технологического процесса как объекта автоматизации, синтез АСУ ТП, выбор комплекса технических средств, разработка ФСА, заказная спецификация, расчет САР (расчет РО).
- Перечень графического материала: схема функциональная автоматизации, структурная схема КТС.
Графическая часть на 9 листах.
Руководитель курсового проектирования, старший преподаватель: А.А. Колодин
Оглавление
- Введение
- 1. Общее описание технологического процесса
- 2. Описание технических средств
- Заключение
- Список литературы
- Приложение А. Схема принципиальная автоматизации
- Приложение Б. Схема принципиальная электрическая
- Приложение В. Схема принципиальная измерения параметров
- Приложение Г. Схема соединения внешних проводок
Введение
Целью данной курсовой работы является изучение основ технического проектирования автоматизированных систем, ознакомление со стандартами и ГОСТами. В работе будет описан процесс подогрева раствора NaOH с описанием технических средств, а так же спроектирована автоматизированная система.
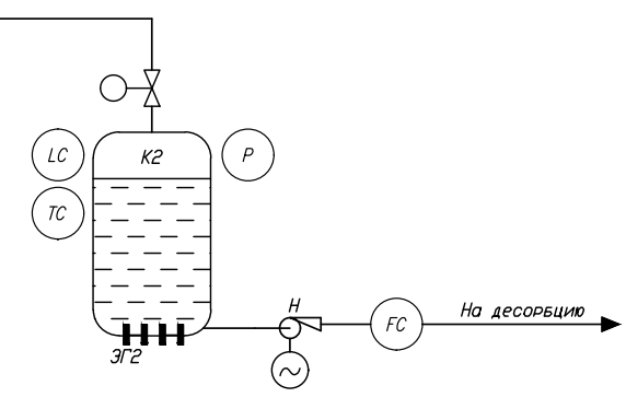
1. Общее описание технологического процесса
Раствор щелочи NaOH подается на подогрев в котёл К2 с электродным нагревом. Уровень в котле регулируется электромагнитной задвижкой. Температура регулируется за счёт изменения мощности электродной группы ЭГ. Также в котле предусмотрен контроль давления. Расход на десорбцию регулируется насосом Н через частотный преобразователь.

2. Описание технических средств
В качестве средств измерения и контроля технологических параметров предлагаются следующие приборы:
Измерение уровня:
Уровень раствора в котле. Ультразвуковой измеритель уровня жидкости с дисплеем ULM-70N-06, 0,25-6м, корпус алюм., излучатель PVDF, G 1½“, 18-36VDC, -30…60C, IP67, 4-20мА +HART.

Измерение температуры:
Температура раствора в котле. ДТС015М-РТ100.0,5.60.МГ.И[3] термопреобразователь сопротивления с выходным сигналом 4…20 мА.

Измерение давления:
Давление в котле. Датчик давления APZ 3410 предназначен для измерения давлений агрессивных сред на основе сенсора с керамической мембраной и погрешностью до ≤0,5% от диапазона измерений, с выходным сигналом 4…20 мА. За счет наличия исполнений с открытой керамической мембраной APZ 3410 может использоваться для измерения давления химически активных, а также вязких агрессивных сред.

Измерение расхода воды:
На выходе из котла. Электромагнитный расходомер KROHNE Optiflux 2100 с блоком преобразования IFC100 с токовым выходом 4…20 мА.

Регулирование подачи раствора:
На входе в котел с помощью задвижки AUMA Matic AC 01.2 с токовым выходом 4…20 мА.

Система питания и управления:
Источник питания с резервированием ИБП60К-24. ОВЕН ИБП60К предназначен для использования в качестве резервированного источника вторичного питания при работе от сети и комплекта аккумуляторных батарей (АКБ). ИБП60К-24 является частью «Экосистемы-210» компании ОВЕН и рекомендуется для совместного применения с программируемыми логическими контроллерами ПЛК210 и модулями ввода/вывода Мх210.

Контроллер:
ПЛК 200-01CS (производства фирмы ОВЕН). Программируемый контроллер ПЛК 210-02CS предназначен для решения задач автоматического управления средней и высокой степени сложности с быстрой обработкой оперативной информации, имеет малое время цикла выполнения рабочей программы.

Модули ввода/вывода:
Модуль аналогового ввода MB210-101 для подключения датчиков с унифицированными сигналами напряжения и силы тока, термопар, датчиков сопротивления и термометров сопротивления.

Модуль аналогового вывода МУ210-502. Модули вывода аналоговых сигналов предназначены для цифро-аналогового преобразования внутренних цифровых величин контроллера и формирования его выходных аналоговых сигналов. К выходам модулей могут подключаться исполнительные устройства, управляемые унифицированными сигналами силы тока или напряжения.

Заключение
В данном курсовом проекте разработана автоматизированная система управления процессом подогрева раствора. В ходе работы описана технология, рассмотрены применяемые средства контроля и измерения, изучены ГОСТы и составлены структурные схемы управления.
Список литературы
- ГОСТ Р 21.101-2020 «Основные требования к проектной и рабочей документации»
- ГОСТ 21.110-2013 «Спецификация оборудования, изделий и материалов»
- ГОСТ 21.208-2013 «Автоматизация технологических процессов. Обозначение приборов и средств автоматизации в схемах»
- ГОСТ 21.408-2013 «Правила выполнения рабочей документации автоматизации технологических процессов»
- ГОСТ 34.201-2020 «Комплекс стандартов на автоматизированные системы. Виды, комплектность и обозначение документов при создании автоматизированных систем»
- ГОСТ 2.710-81 «Обозначения буквенно-цифровые в электрических схемах»
- ГОСТ 2.709-89 «Обозначения условные проводов и контактных соединений электрических элементов, оборудования и участков цепей в электрических схемах»
- ГОСТ 2.702-2011 «Правила выполнения электрических схем»
Приложения
Приложение А. Схема принципиальная автоматизации
Приложение Б. Схема принципиальная электрическая
Приложение В. Схема принципиальная измерения параметров
Приложение Г. Схема соединения внешних проводок
