Данный документ содержит методические указания по выполнению графических работ для студентов заочной формы обучения по направлению подготовки 20.03.02 «Природообустройство и водопользование». В материале подробно описаны требования к созданию 3D-моделей и ассоциативных чертежей в программном комплексе КОМПАС-3D, этапы выполнения заданий КГ01, КГ02 и КГ03, а также порядок сдачи работ через электронную информационно-образовательную среду (ЭИОС).
Кафедра технического сервиса, механики и электротехники

КОМПЬУТЕРНАЯ ГРАФИКА
Объем и содержание графических работ для студентов заочной формы обучения по направлениям подготовки: 20.03.02 Природообустройство и водопользование
Омск 2020
Объем и содержание графических работ по инженерной графике
В рамках дисциплины предусмотрено выполнение следующих работ:
- КГ 01 «Создание видов» – чертеж, разработанный в КОМПАС 3D;
- КГ 02 «Построение видов, разрезов, сечений» – чертеж, разработанный в КОМПАС 3D;
- КГ 03 «Создание 3D модели детали» – 3D модель, созданная с использованием КОМПАС 3D;
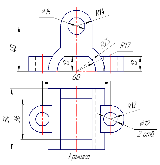
Содержание: По заданию, разработать 3D модель детали и ассоциативные виды детали. Ассоциативный чертеж формата А3 содержит 2 вида (главный вид и вид сверху) и изометрию.
Важно: Задание на КГ01, КГ02 и КГ03 – выдается одно!
Пример выполнения ГР







Этапы выполнения работ
- 1. Этап. Получить задание (прикреплено в ЭИОС).
- 2. Этап. Создать по заданию 3D модель.
- 3. Этап. Прикрепить скрин 3D модели в раздел Аттестационный материал «Графические работы». Перед ссылкой указать КГ03.
- 4. Этап. По 3D модели создать чертеж (формата А3) и два вида детали (главный и вид сверху) и изометрию.
- 5. Этап. Прикрепить скрин чертежа в раздел Аттестационный материал «Графические работы». Перед ссылкой указать КГ01-2.
