Данное пособие представляет собой учебно-методическую разработку по курсу «Инженерная графика» для студентов первого курса механических специальностей. В документе содержатся 31 вариант заданий, требования к оформлению чертежей согласно стандартам ЕСКД, правила выполнения деталирования сборочных единиц и рекомендации по подготовке к защите контрольной работы. Пособие предназначено для формирования навыков конструкторской деятельности и анализа технической документации.
- Министерство образования и науки Российской Федерации
- ИНЖЕНЕРНАЯ ГРАФИКА
- Содержание
- Введение
- Этапы выполнения комплексного задания
- Выбор вариантов заданий
- Основные требования к выполнению, оформлению, сдаче и защите контрольной работы
- Методические указания к эскизному выполнению деталирования сборочной единицы (этап 1)
- Библиографический список
Министерство образования и науки Российской Федерации
Федеральное агентство по образованию
Югорский государственный университет
Кафедра физики и общетехнических дисциплин
Сапельников А.А.
ИНЖЕНЕРНАЯ ГРАФИКА
Контрольные задания и методические рекомендации к их выполнению для студентов заочной формы обучения специальностей:
190603 «Сервис транспортных технологических машин и оборудования»
140211 «Электроснабжение»
140610 «Электрооборудование и электрохозяйство предприятий, организаций и учреждений»
1 курс
2 семестр 2007-2008 учебного года
Содержание
- Введение — 3
- Выбор вариантов заданий — 5
- Основные требования к выполнению, оформлению, сдаче и защите контрольной работы — 5
- Методические указания к выполнению задания — 8
- Пример выполнения задания — 9
- Варианты заданий — 10
- Библиографический список — 41
Введение
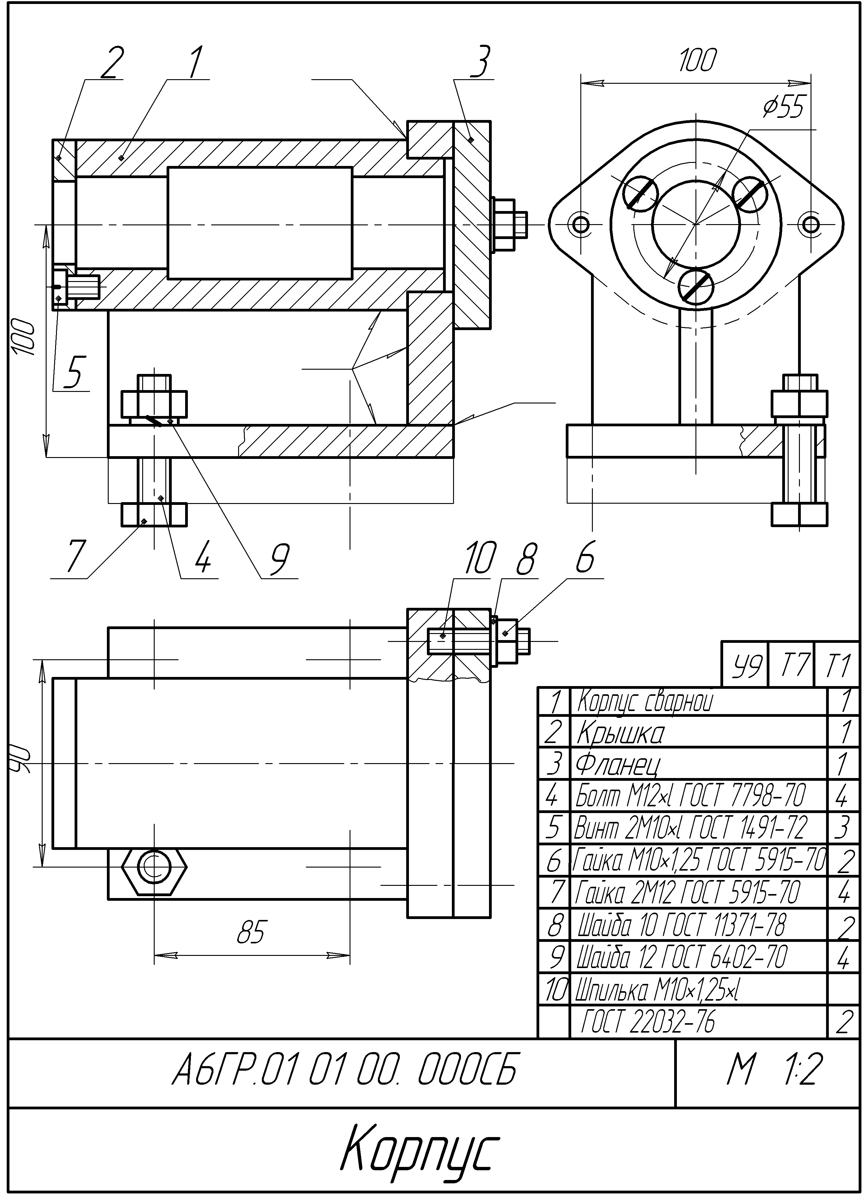
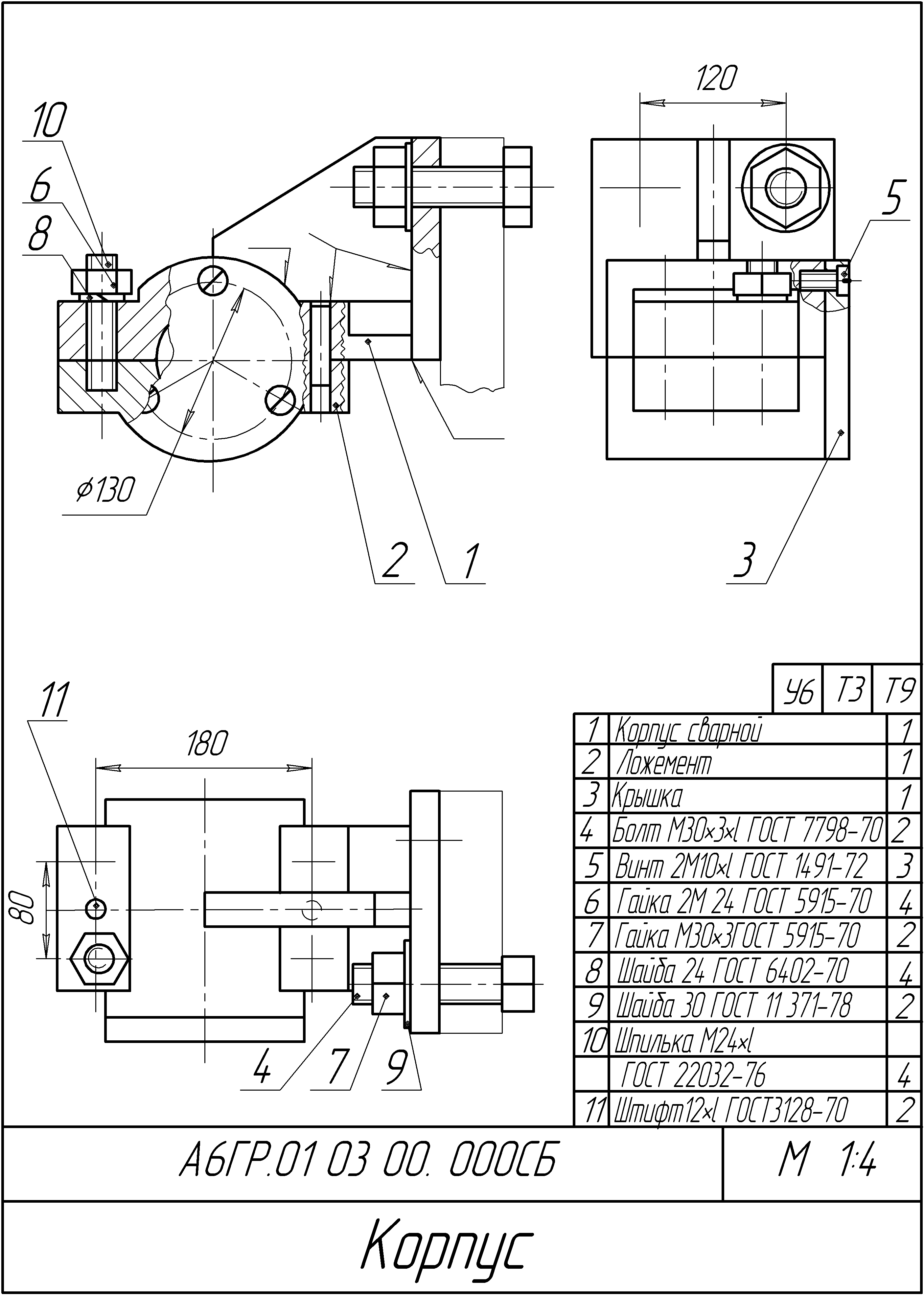
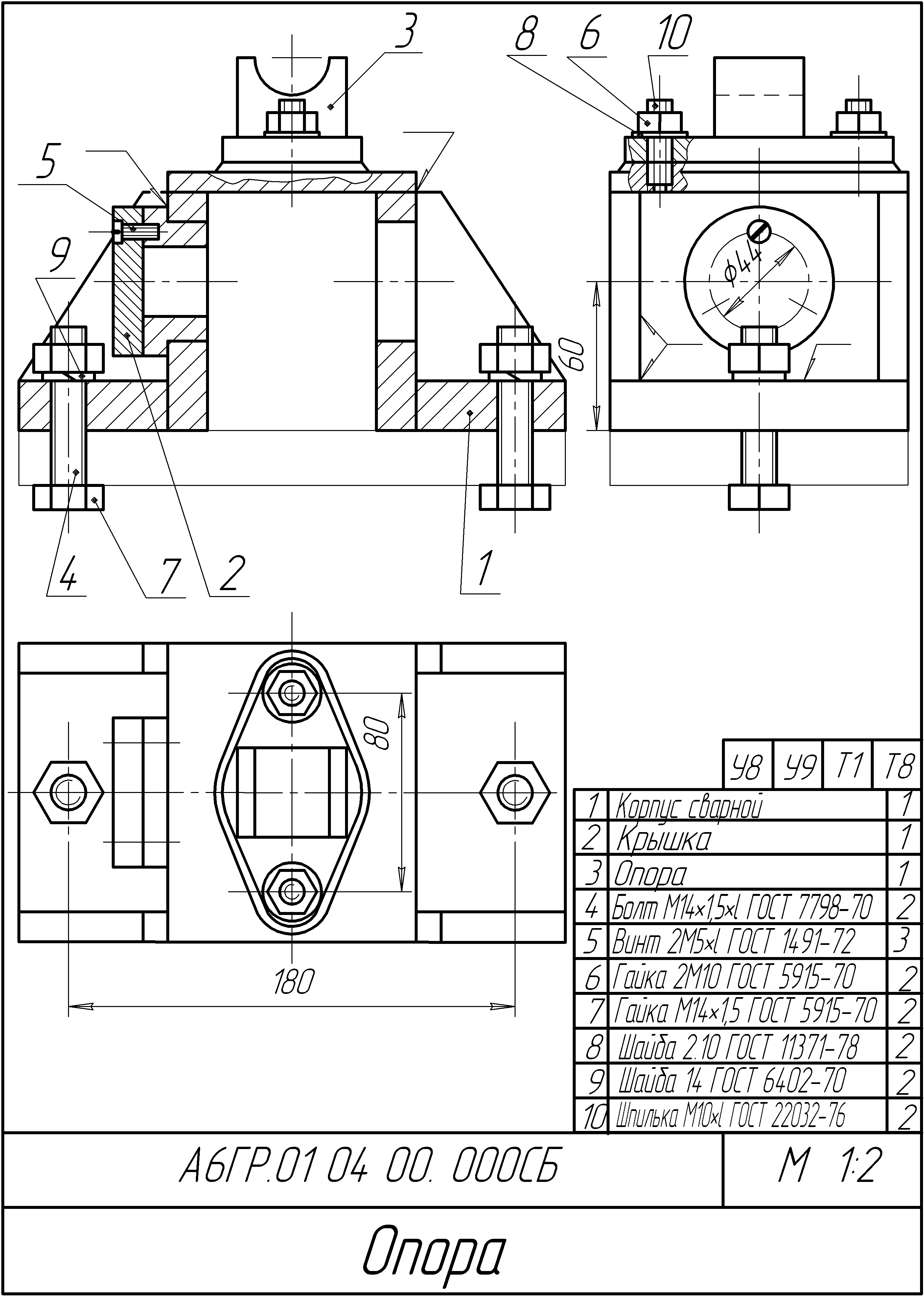
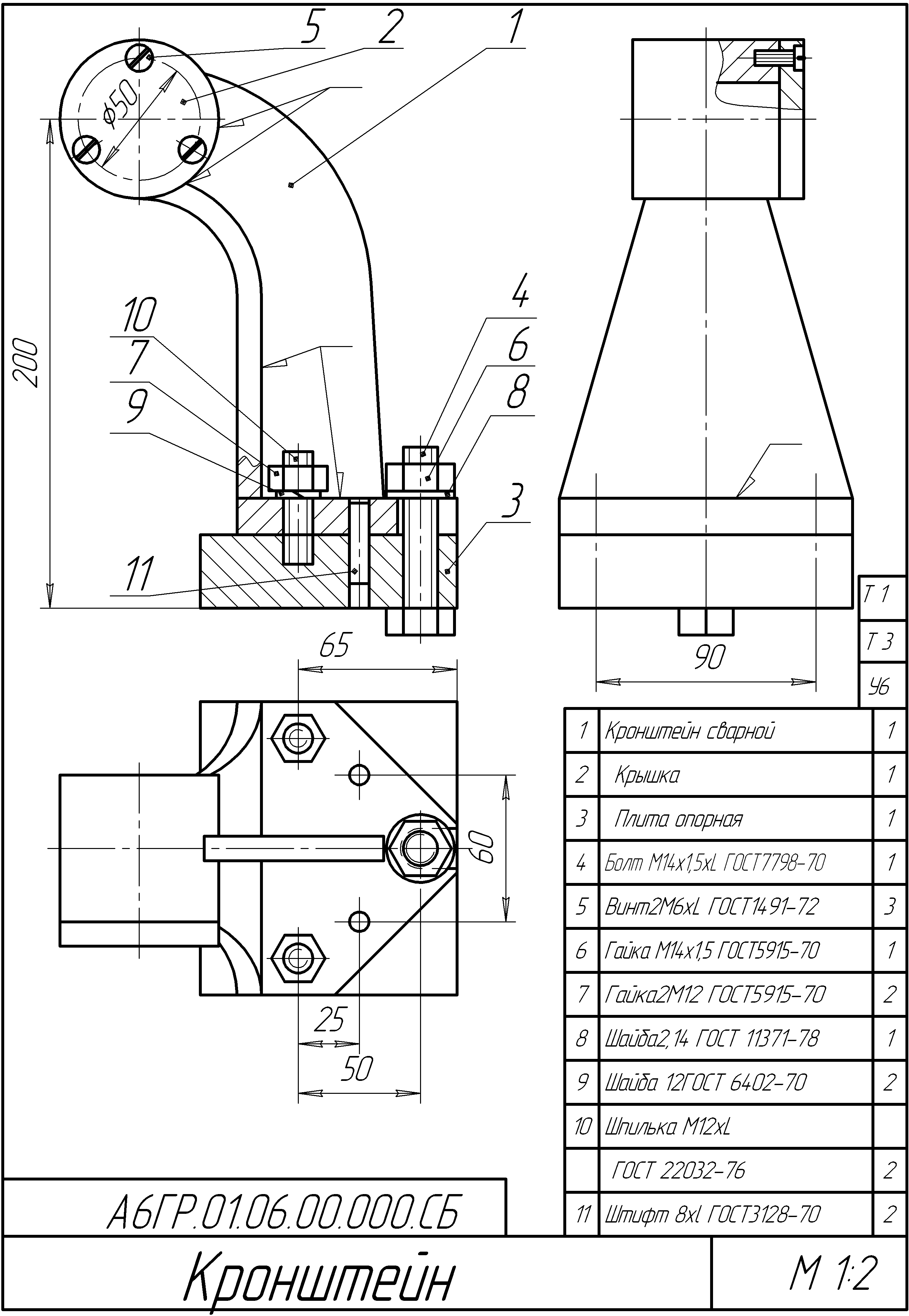
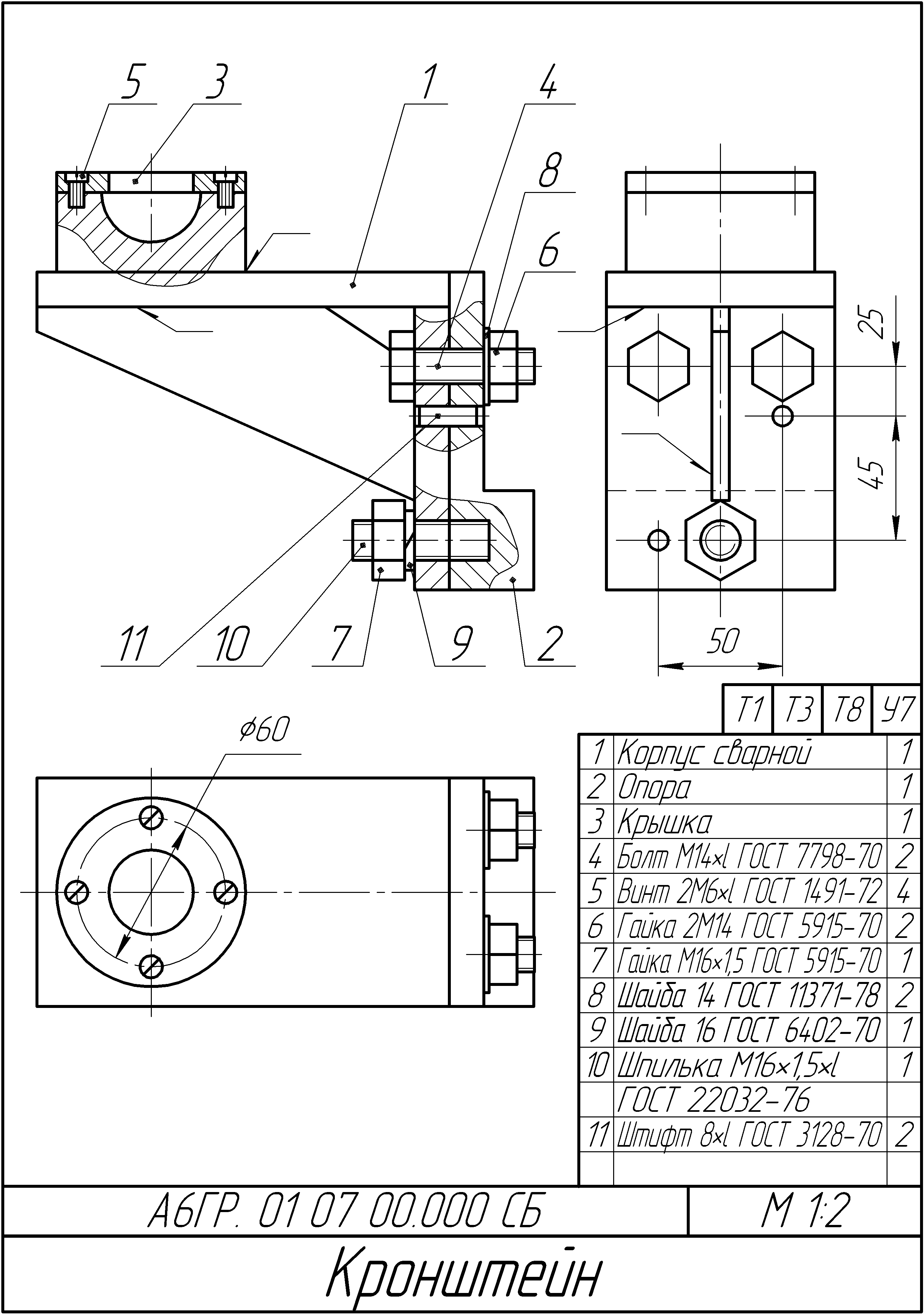
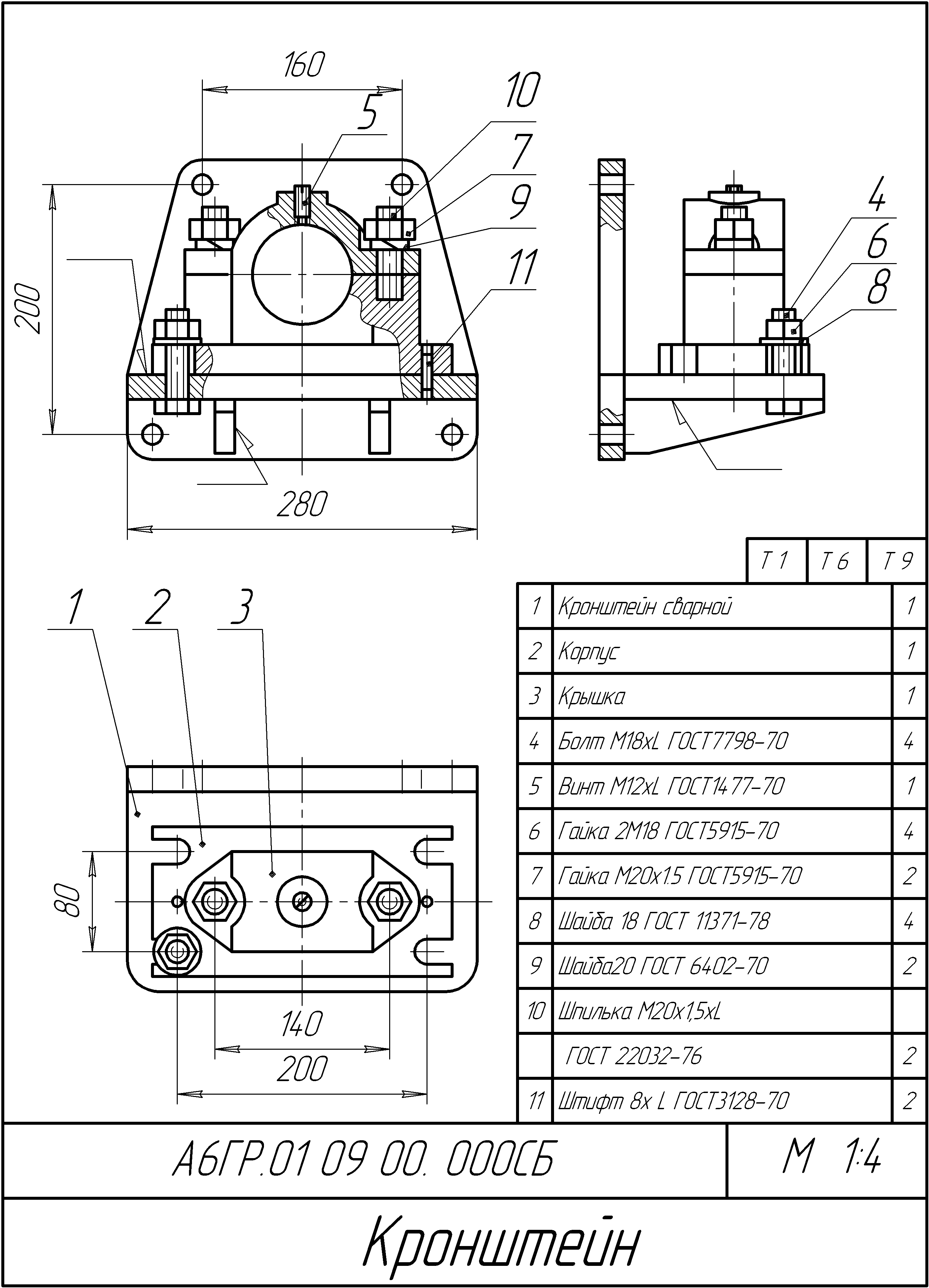
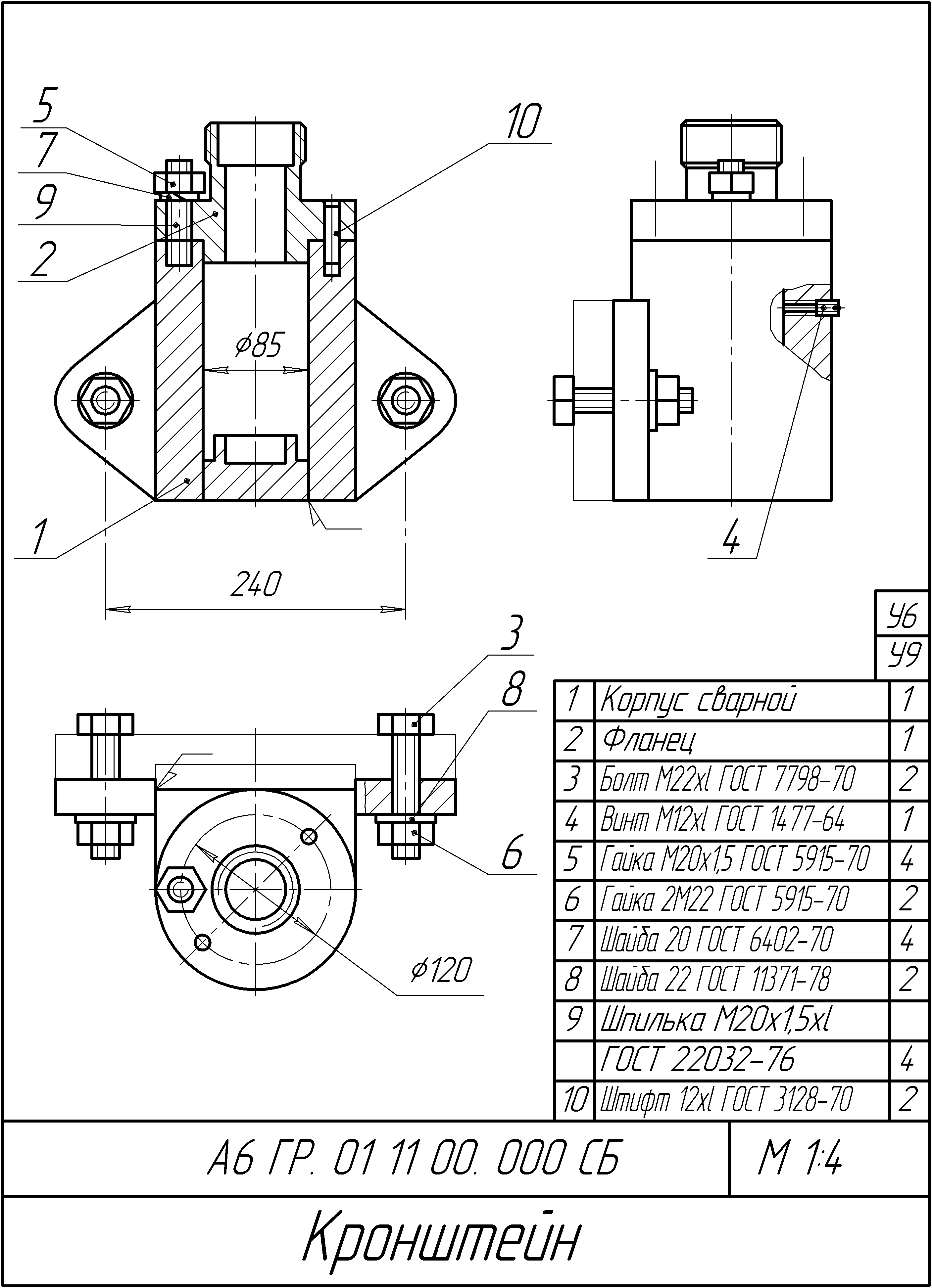
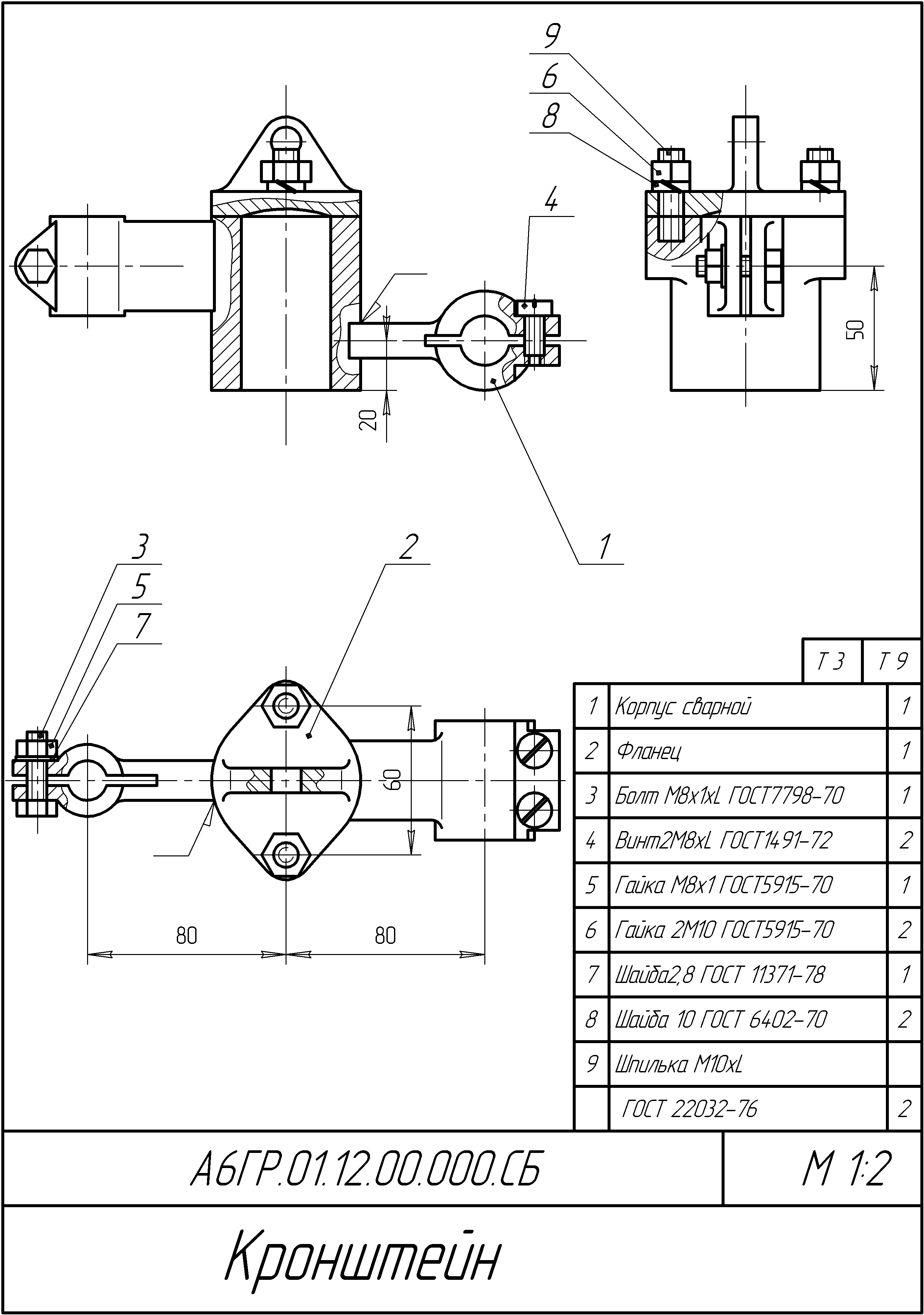
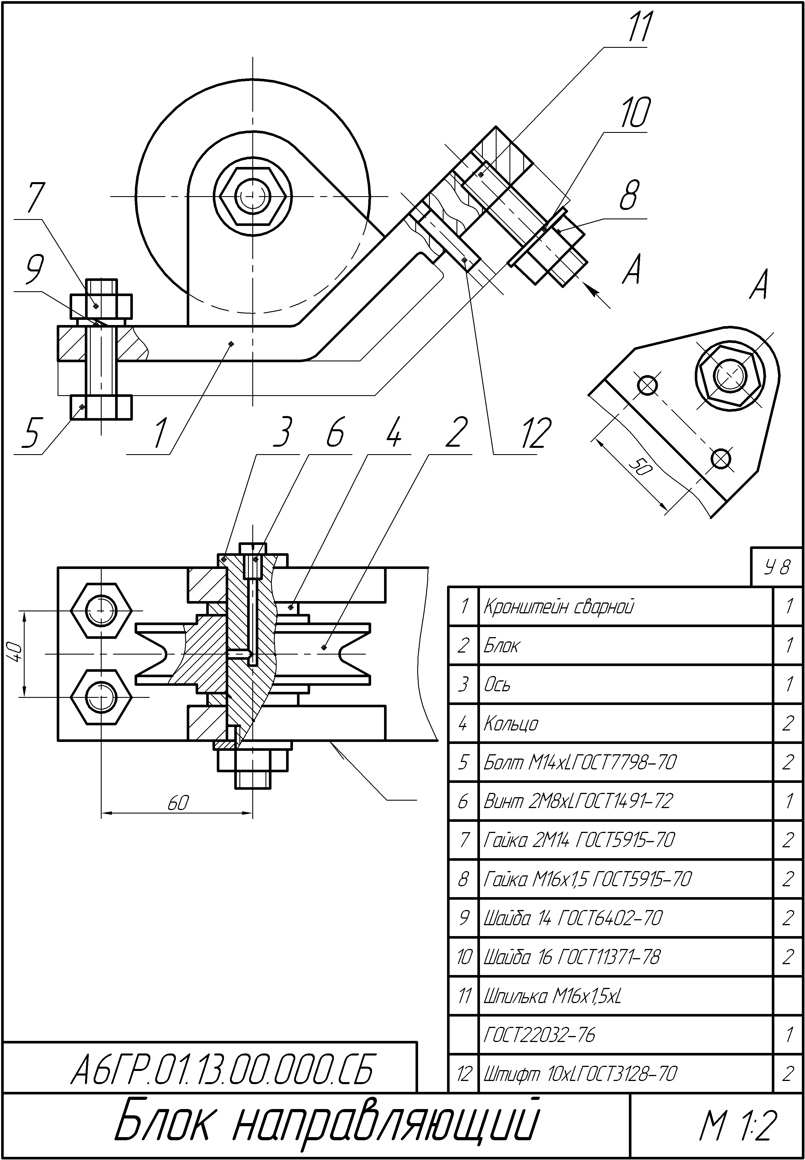
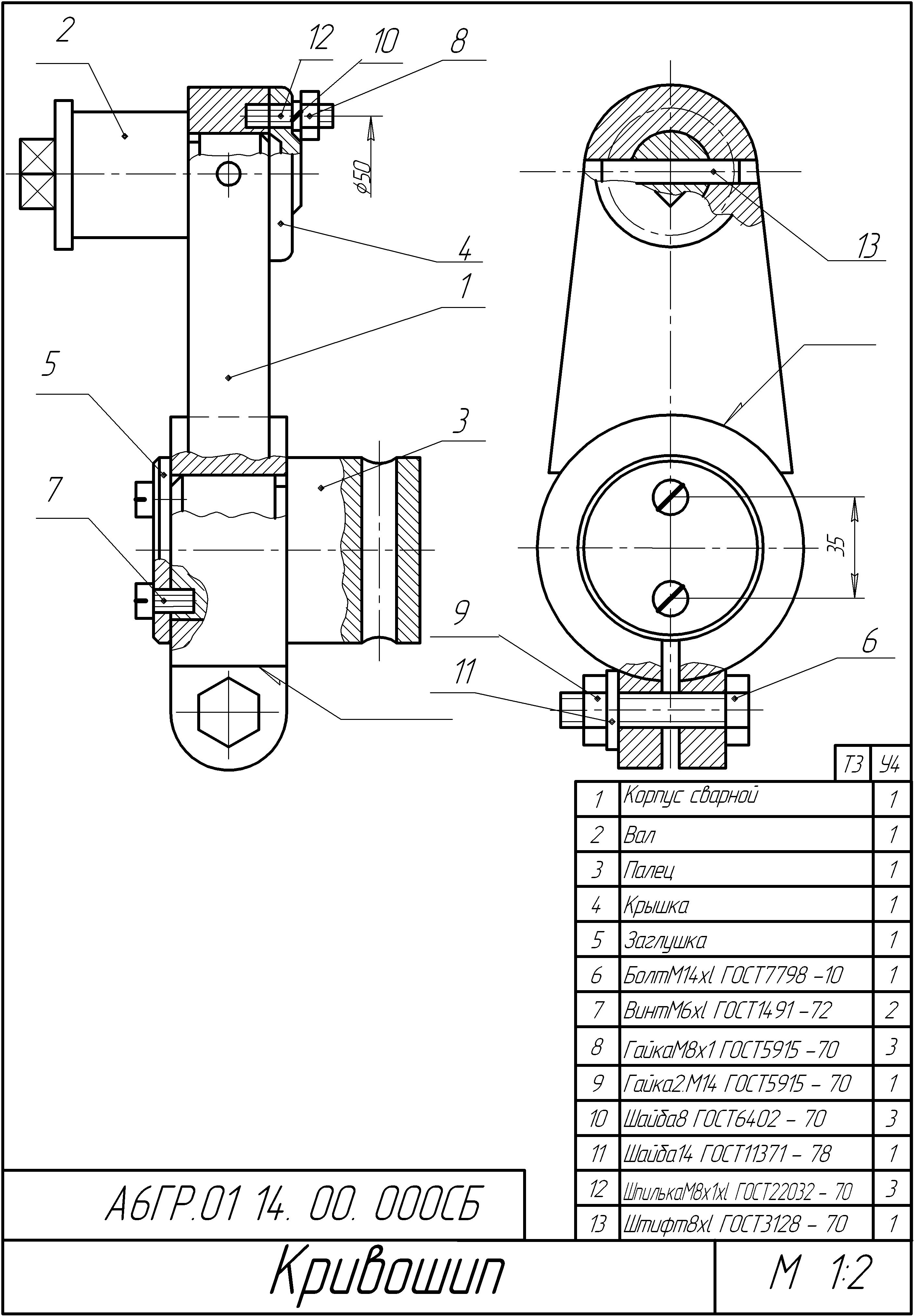
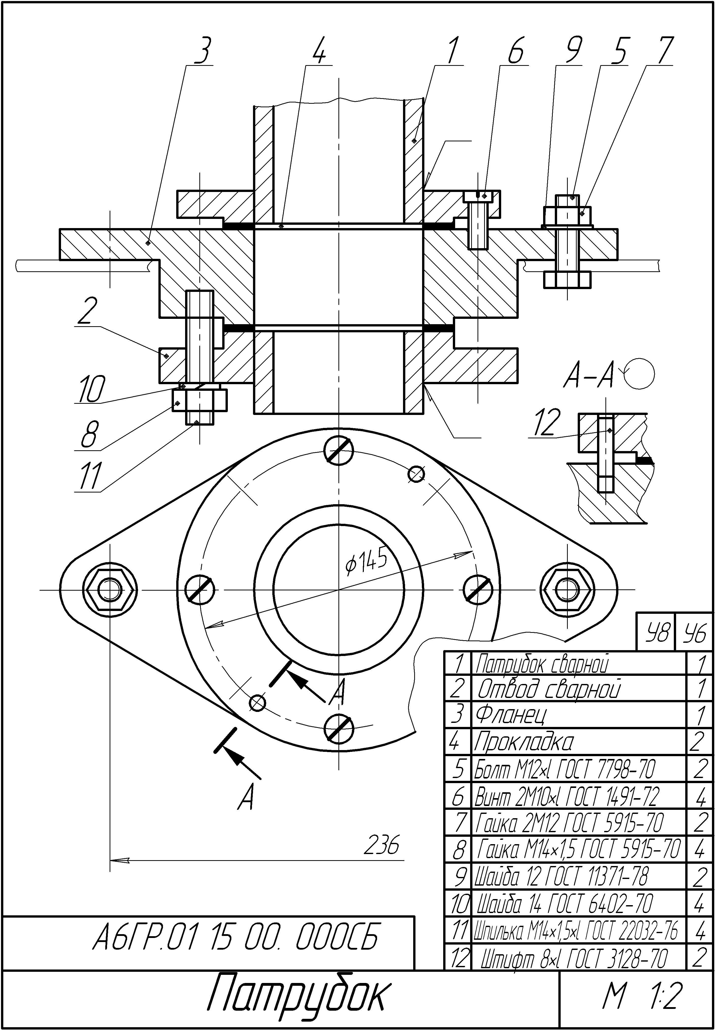
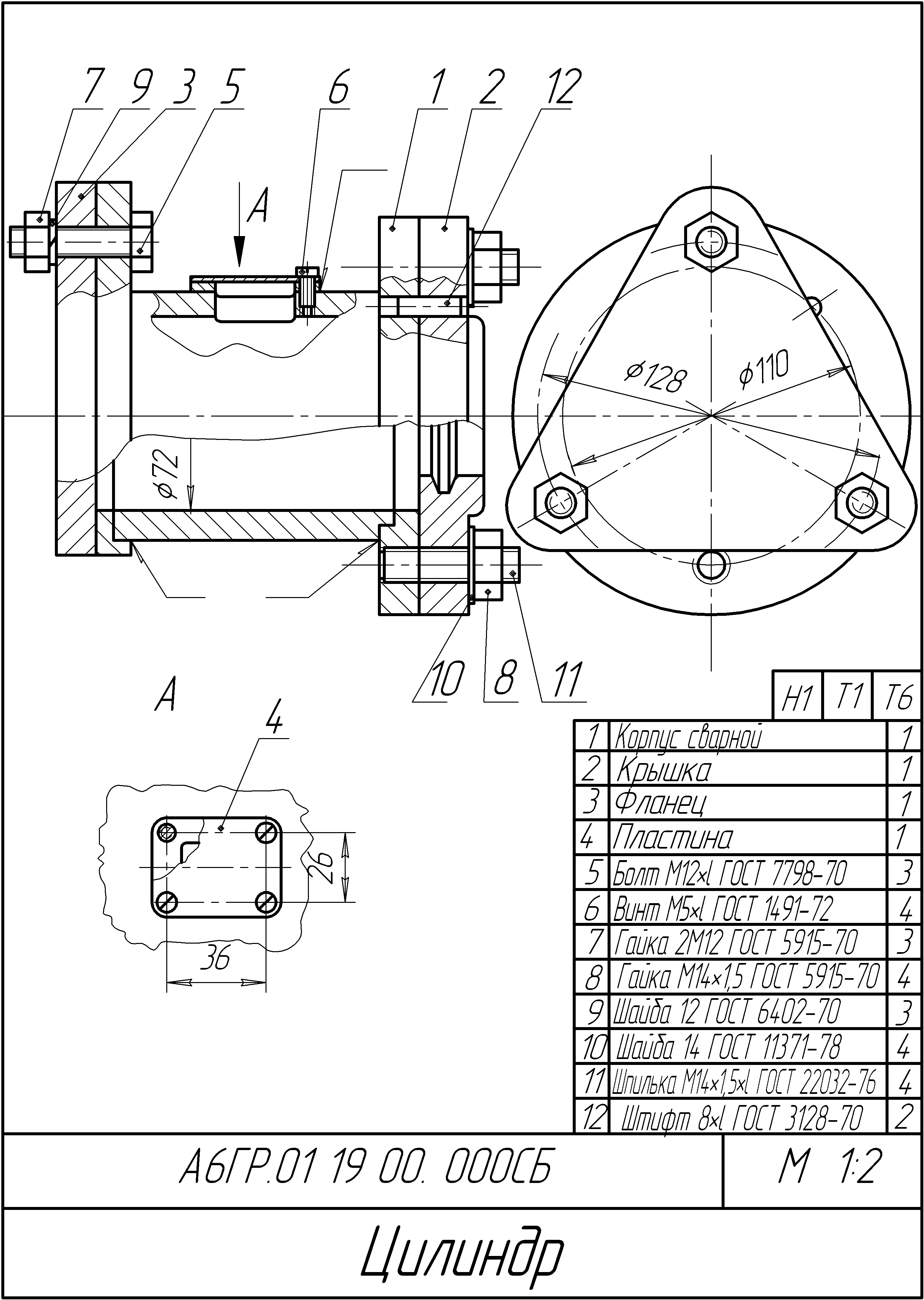
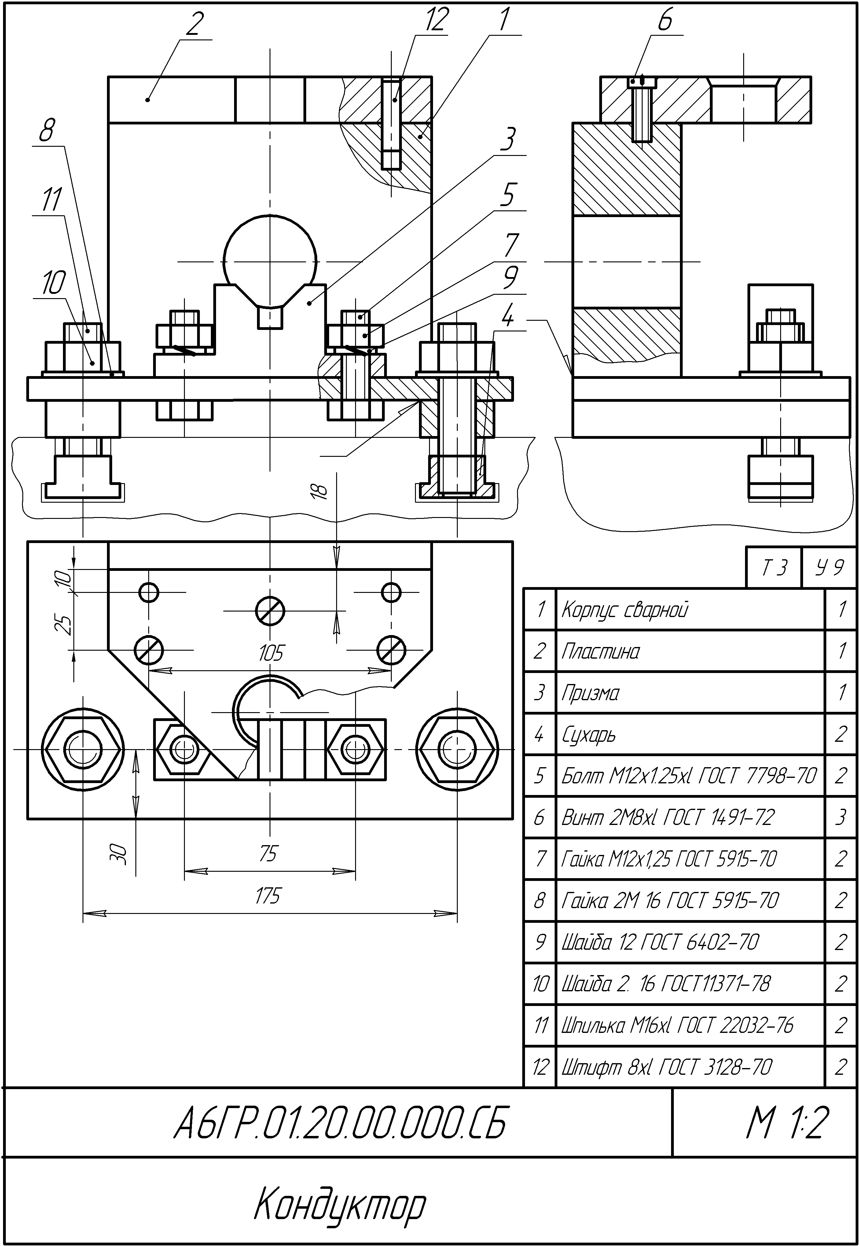
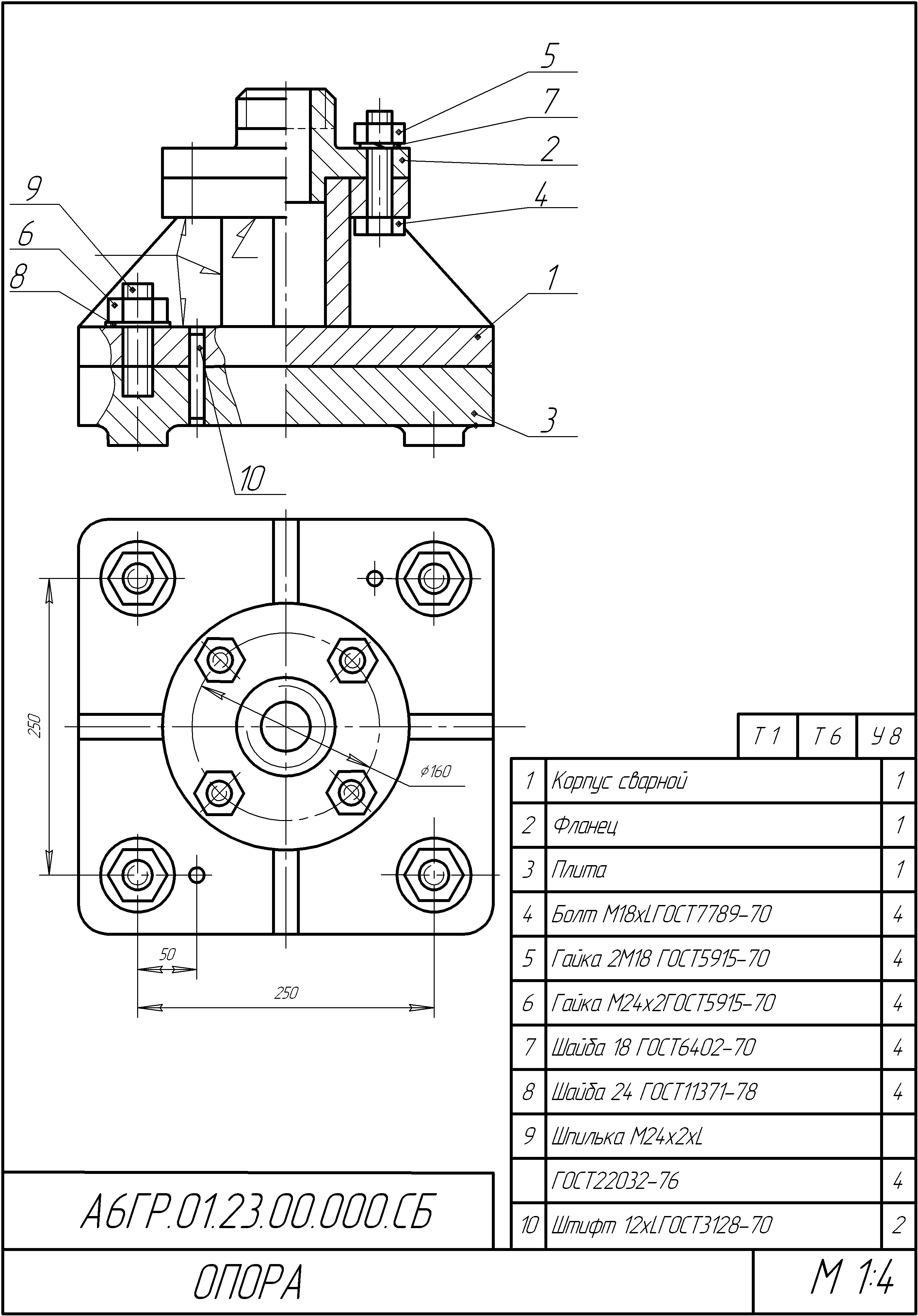
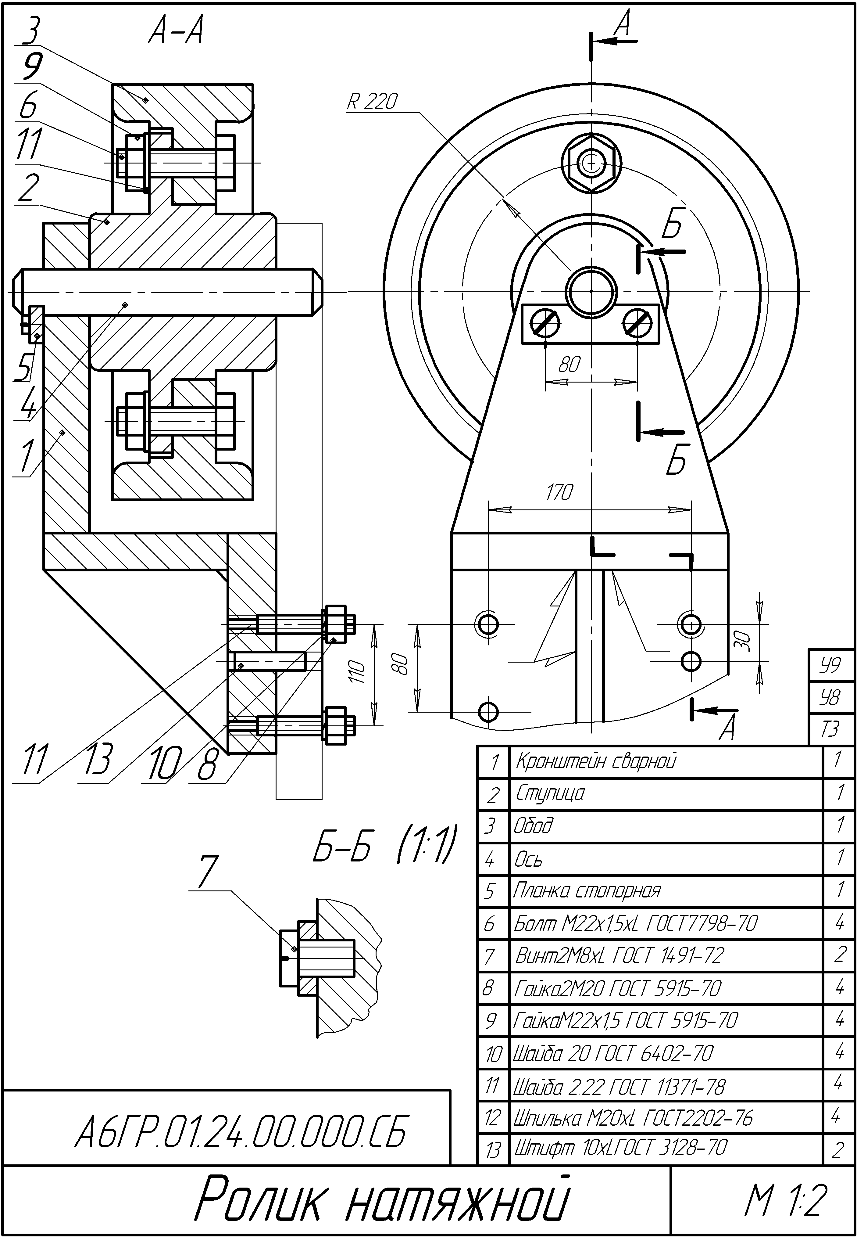
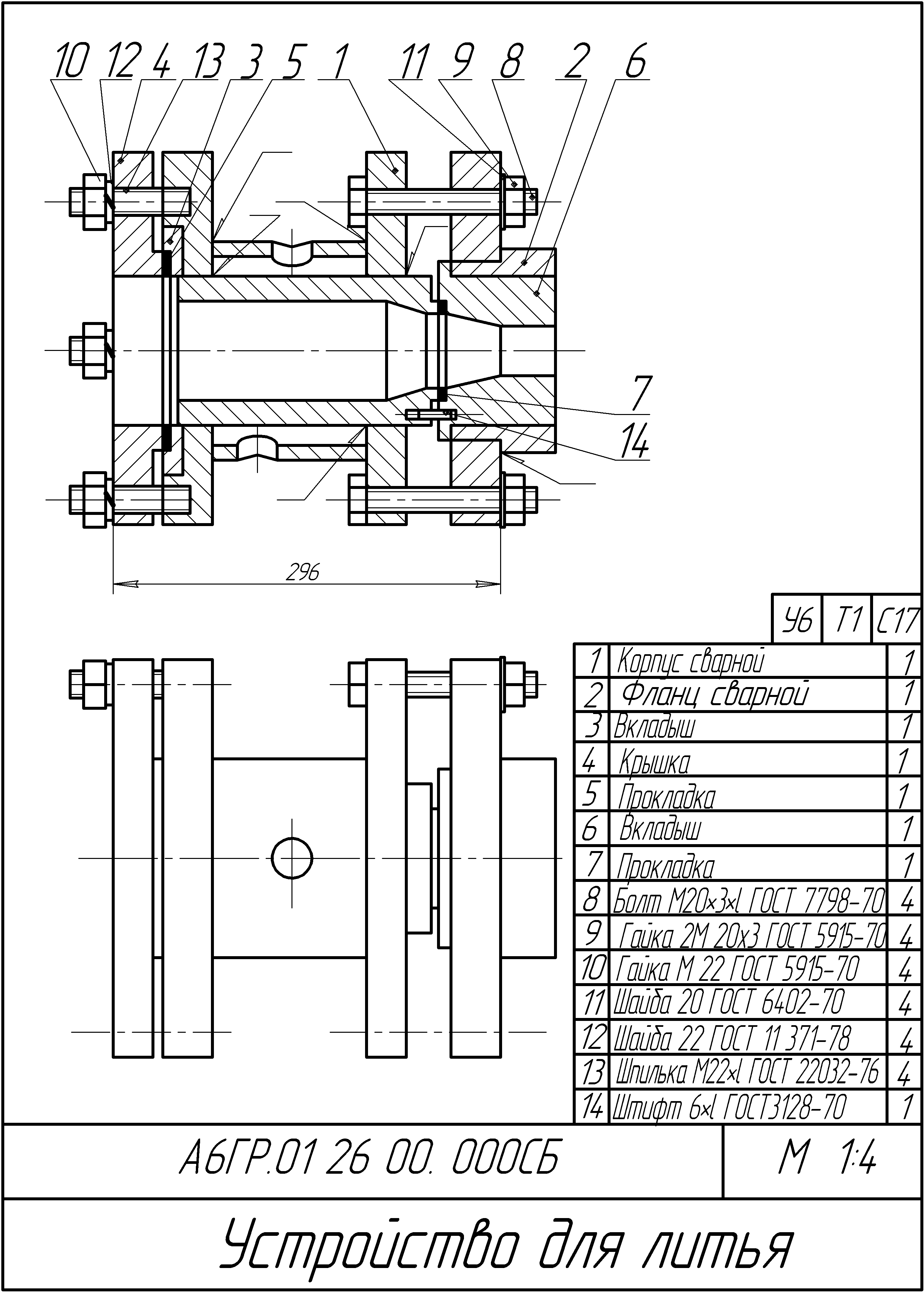
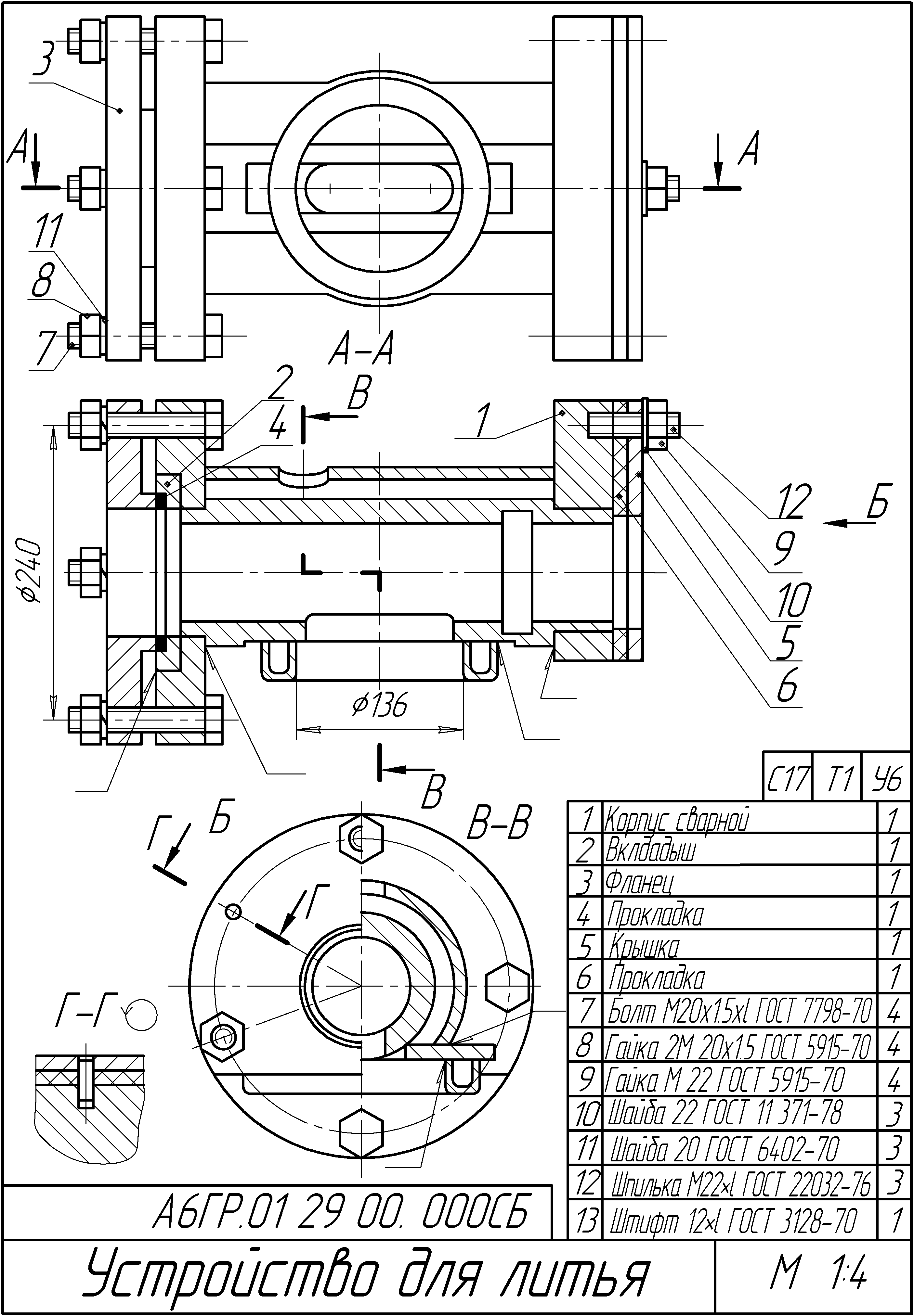
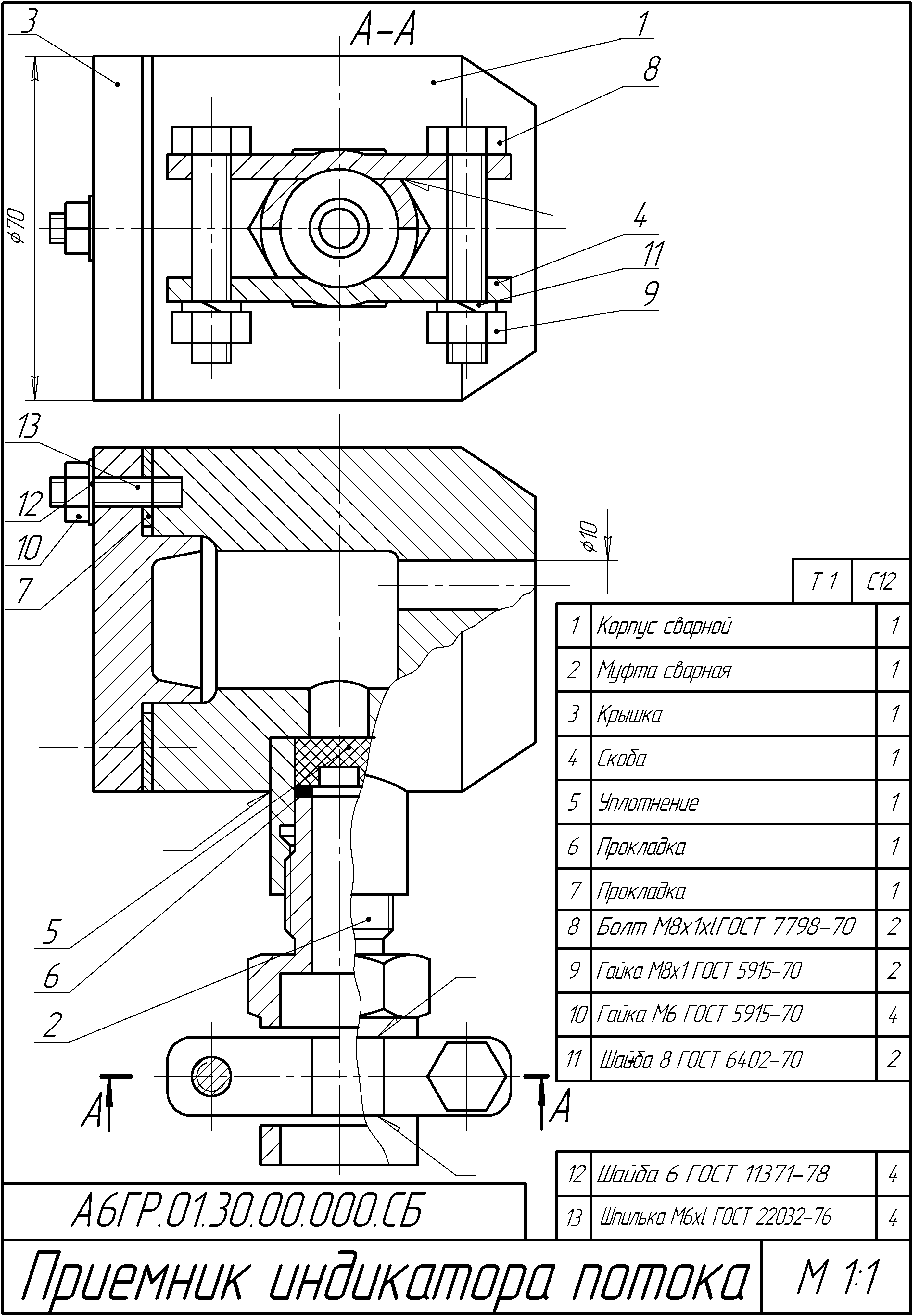
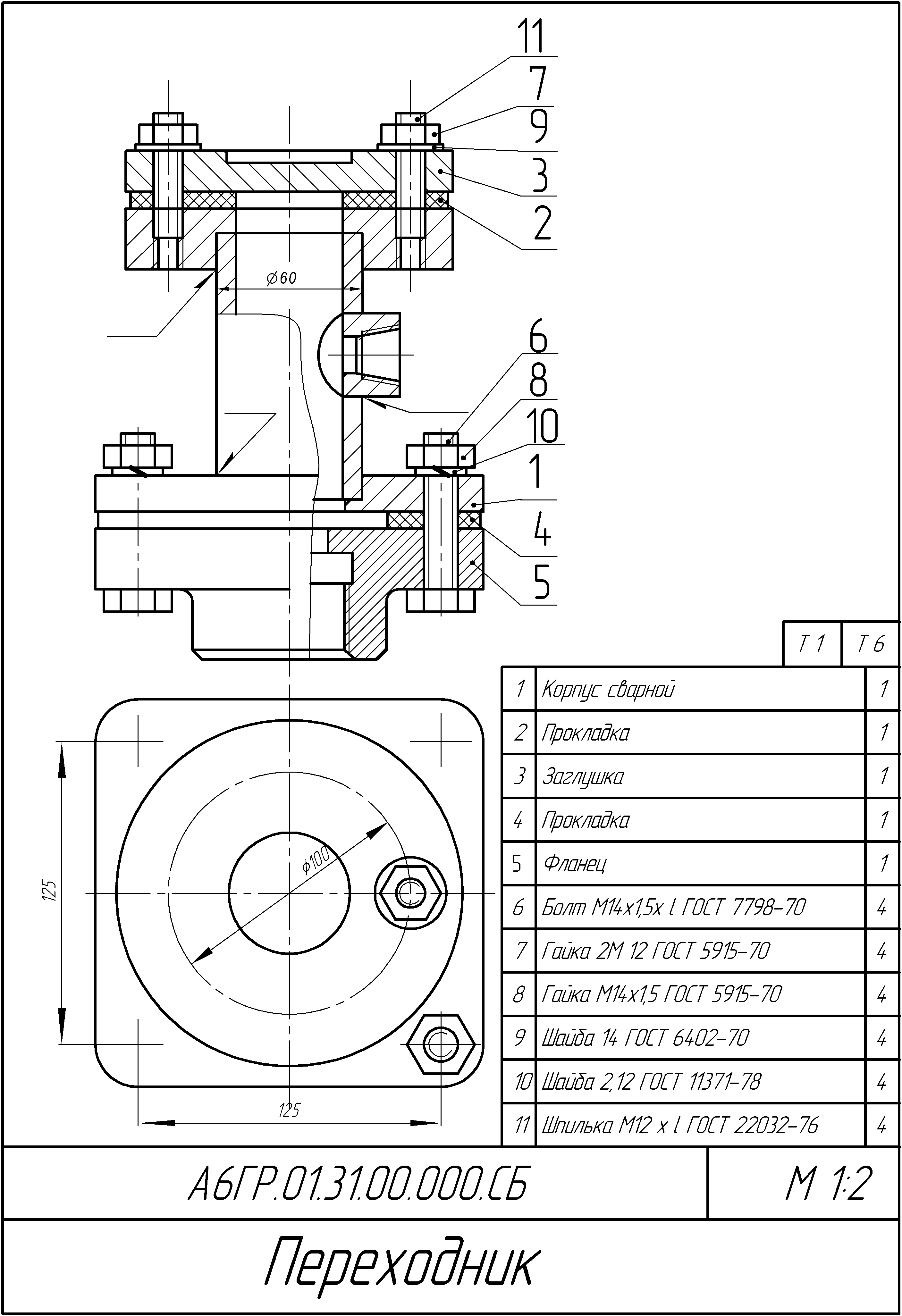
Настоящий альбом сборочных чертежей сборочных единиц является учебно-методической разработкой по курсу «Инженерная графика» и предназначен для студентов первого курса механических специальностей технических ВУЗов. Он содержит 31 вариант заданий, представляющих собой чертежи сборочных единиц, используемых в изделиях общего машиностроения.
Выполнение заданий, предусмотренных данными методическими указаниями, позволяет студентам получить первые навыки деталирования сборочных чертежей, обучает геометрическому и технико-конструктивному анализу чертежей сборочных единиц.

Чертежи сборочных единиц содержат необходимые изображения (виды, разрезы, сечения), дающие достаточно полное представление о форме и размерах каждой детали, входящей в состав изделия, а также сведения для составления спецификаций. Каждый сборочный чертеж данного альбома является исходной информацией для разработки комплекта чертежей и спецификаций, предусмотренных комплексным заданием «Соединения разъемные и неразъемные». Составление этого комплекта позволяет студентам получить начальные сведения и знания, необходимые в конструкторской деятельности при работе со сборочными единицами.
Этапы выполнения комплексного задания
Графические и текстовые документы, которые необходимо поэтапно разрабатывать студенту в процессе выполнения комплексного задания «Соединения разъемные и неразъемные», имеют определенное целевое назначение и выполняются на следующих форматах:
- Формат А3 (миллиметровка) для эскизного выполнения деталирования основной сборочной единицы.
- Формат А2 (ватман) для выполнения сборочного чертежа основной сборочной единицы.
- Формат А4 (ватман) для выполнения спецификации основной сборочной единицы.
- Форматы А3 и А4 (ватман) для выполнения чертежей нестандартных деталей, входящих в состав основной сборочной единицы.
- Формат А3 (ватман) для выполнения сборочного чертежа сварной сборочной единицы.
- Формат А4 (ватман) для выполнения спецификации сварной сборочной единицы.
- Форматы А3 и А4 (ватман) для выполнения чертежей нестандартных деталей, входящих в состав сварной сборочной единицы.
- Форматы А4 (миллиметровка) для эскизного выполнения чертежей стандартных крепежных деталей, входящих в состав основной сборочной единицы.
Перечисленные пункты 1,…,8 соответствуют этапам выполнения комплексного задания по каждому из 31 вариантов. Текстовая и графическая информации, необходимые для выполнения этапа 1, содержатся повариантно в альбоме. Для выполнения последующих этапов 2,…,8 необходимо использовать дополнительную литературу [1-6].
Выбор вариантов заданий
Контрольная работа выполняется по индивидуальным вариантам задания, которые приведены в приложениях к соответствующей теме. Номер варианта берётся по двум последним цифрам номера зачётной книжки студента. Например, у студента Иванова З/К № 1058842, следовательно, его вариант № 12. В соответствии со второй парой цифр в шифре чертежа, расположенном в нижней его части берётся для выполнения чертёж (А6ГР.01.12.00.000.СБ).
| Последние цифры номера зачётной книжки студента | Соответствующий № варианта |
|---|---|
| 01, 31, 61, 91 | Вариант № 1 |
| 02, 32, 62, 92 | Вариант № 2 |
| 03, 33, 63, 93 | Вариант № 3 |
| 04, 34, 64, 94 | Вариант № 4 |
| 05, 35, 65, 95 | Вариант № 5 |
| 06, 36, 66, 96 | Вариант № 6 |
| 07, 37, 67, 97 | Вариант № 7 |
| 08, 38, 68, 98 | Вариант № 8 |
| 09, 39, 69, 99 | Вариант № 9 |
| 10, 40, 70 | Вариант № 10 |
| 11, 41, 71 | Вариант № 11 |
| 12, 42, 72 | Вариант № 12 |
| 13, 43, 73 | Вариант № 13 |
| 14, 44, 74 | Вариант № 14 |
| 15, 45, 75 | Вариант № 15 |
| 16, 46, 76 | Вариант № 16 |
| 17, 47, 77 | Вариант № 17 |
| 18, 48, 78 | Вариант № 18 |
| 19, 49, 79 | Вариант № 19 |
| 20, 50, 80 | Вариант № 20 |
| 21, 51, 81 | Вариант № 21 |
| 22, 52, 82 | Вариант № 22 |
| 23, 53, 83 | Вариант № 23 |
| 24, 54, 84 | Вариант № 24 |
| 25, 55, 85 | Вариант № 25 |
| 26, 56, 86 | Вариант № 26 |
| 27, 57, 87 | Вариант № 27 |
| 28, 58, 88 | Вариант № 28 |
| 29, 59, 89 | Вариант № 29 |
| 30, 60, 90 | Вариант № 30 |
Основные требования к выполнению, оформлению, сдаче и защите контрольной работы
Все чертежи контрольной работы должны быть выполнены в соответствии с ГОСТами Единой системы конструкторской документации (СПДС) на листах чертёжной бумаги А-2 (594х420 мм), А-3 (420×297 мм) или А-4 (297×210 мм). Допускается использовать добавочные форматы в соответствии с ГОСТ 2.301–68*.
Чертёж оформляют внутренней рамкой в виде сплошной основной линии (рисунок 1), от границ формата с левой стороны поле для брошюровки 20 мм, с других сторон – по 5 мм.

Рис. 1. Рамка, ограничивающая поле чертежа
Все работы объединяют в альбом. Образец оформления титульного листа дан на рисунке 2. Титульный лист выполняется от руки чертежным шрифтом (номера шрифта даны в скобках) с рамкой ограничивающей поле чертежа.

Рис. 2. Образец оформления титульного листа
На листах для выполнения задания вычерчивают внутреннюю рамку и в правом нижнем углу чертежа вычерчивают основную надпись (штамп), и заполняют необходимые графы (пример заполнения показан на рисунке 3). Подробные правила заполнения основных надписей изучить самостоятельно по ГОСТ 2.104–68*.

Рис. 3. Образец заполнения основной надписи на чертеже
Контрольная работа заблаговременно (не менее чем за 7 дней до начала сессии) передается студентом на факультет заочного обучения для проверки, рецензирования и оценки. Если контрольная работа при рецензировании не зачтена, студент обязан внести необходимые изменения и предоставить работу на повторную рецензию. Студент должен быть готов во время зачета или экзамена дать пояснения по решению задач соответствующей контрольной работы.
Методические указания к эскизному выполнению деталирования сборочной единицы (этап 1)
- Внимательно изучить графическую и текстовую информацию, содержащуюся на странице данного альбома, соответствующей варианту задания.
- Изучить технико-конструктивное устройство заданного изделия – сборочной единицы. Выполнить условное разбиение составных частей изделия на следующие группы:
- стандартные детали;
- сварная сборочная единица и её детали, соединяемые сваркой;
- нестандартные детали, не входящие в состав сварной сборочной единицы.
- На формате А3 (миллиметровка) выполнить в эскизном варианте изображение деталей по группам в соответствии с п.п.2. При этом изображения деталей должны соответствовать требованиям ГОСТ 2.109-68. На изображениях каждой детали указать необходимые размеры сопряжений её с другими деталями в составе основной сборочной единицы, а также размеры стандартных деталей, входящие в их условное обозначение.
- В основной надписи выполняемого формата А3 указать название задания, например, «Деталирование переходника».
Пример эскизного выполнения деталирования основной сборочной единицы, соответствующего варианту №31, представлен на рисунке 1.





























Библиографический список
- ЕСКД. Общие правила выполнения чертежей. – М.: Изд-во стандартов, 1991. 238 с.
- Левицкий В.С. Машиностроительное черчение и автоматизация выполнения чертежей: Учебн. для втузов. – 5-е изд., перераб. и доп.. – М.: Высш. шк., 2003. – 428 с.
- Леонова В.А., Галанина О.П. Альбом сборочных чертежей для деталирования и чтения: Учебн. пособие для втузов. / Под ред. доц. О.А. Козыревой. – М.: Машиностроение, 1975. – 52 с.
- Чекмарев А.А., Осипов В.К.. Справочник по машиностроительному черчению. – 2-е изд., перераб.. – Высш. шк., 2001. – 493 с.
- Соединения разъемные и неразъемные: Метод. указания / Сост. Силаенков А.Н., Рогоза Ю.А., Адрианова Н.А. – Омск: Изд-во ОмГТУ, 1999. – 52 с.
