Данное методическое пособие содержит теоретические основы и практические алгоритмы расчета магнитных цепей постоянного тока. Рассматриваются основные допущения, методы решения прямых и обратных задач для неразветвленных и разветвленных цепей, включая графоаналитические способы. Включены примеры численных расчетов, таблицы намагничивания стали и варианты индивидуальных заданий для выполнения расчетно-графической работы (РГР) №1.
- РАСЧЕТ МАГНИТНЫХ ЦЕПЕЙ ПОСТОЯННОГО ТОКА
- 1. ОСНОВНЫЕ ДОПУЩЕНИЯ, ПРИНИМАЕМЫЕ ПРИ РАСЧЁТЕ МАГНИТНЫХ ЦЕПЕЙ
- Законы магнитных цепей
- 2. ПРИМЕРЫ РАСЧЕТА НЕРАЗВЕТВЛЕННЫХ МАГНИТНЫХ ЦЕПЕЙ
- Эквивалентная схема
- Решение обратной задачи
- Графическое суммирование
- 3. ПРИМЕРЫ РАСЧЕТА РАЗВЕТВЛЕННЫХ МАГНИТНЫХ ЦЕПЕЙ
- Методика расчета разветвленной цепи
- Решение обратной задачи для разветвленной цепи
РАСЧЕТ МАГНИТНЫХ ЦЕПЕЙ ПОСТОЯННОГО ТОКА
Методические указания к выполнению расчетно-графической работы (РГР) №1
1. ОСНОВНЫЕ ДОПУЩЕНИЯ, ПРИНИМАЕМЫЕ ПРИ РАСЧЁТЕ МАГНИТНЫХ ЦЕПЕЙ
В современных электрических машинах, трансформаторах, электромагнитных реле, а также в различных измерительных приборах для увеличения магнитного потока используют ферромагнитные сердечники, обладающие большой магнитной проницаемостью по сравнению с проницаемостью воздуха. В связи с этим оказывается возможным сделать некоторые допущения, позволяющие исключить необходимость расчёта пространственного распределения характеристик поля.
Перечисленные выше устройства обычно состоят из ферромагнитных сердечников и обмоток, изготавливаемых из изолированных проводников и надеваемых на эти сердечники и образующих ту или иную магнитную цепь. В этом случае расчёт магнитной цепи базируется на следующих допущениях.
- Магнитная проницаемость ферромагнетиков, из которых изготавливаются сердечники магнитной цепи, много больше проницаемости окружающей среды. Это позволяет считать, что с любым витком одной и той же катушки сцеплен один и тот же поток Ф и что на каждом участке магнитной цепи с неизменным поперечным сечением сердечника он остаётся одним и тем же. А это означает, что в данном случае можно пренебречь потоками рассеяния, замыкающимися как по участкам магнитной цепи, так и в окружающем пространстве.
- Предполагается, что поперечные размеры ферромагнитных сердечников магнитной цепи малы по сравнению с их длиной. Это позволяет принимать за длину сердечника длину его средней линии, а поле внутри сердечника считать однородным. Тогда падение магнитного напряжения на участке магнитной цепи аб с постоянным сечением можно вычислить следующим образом: UMаб ≈ Hаб · lаб, где Hаб − напряженность магнитного поля на участке аб; lаб − длина средней линии участка.
- Предполагается также, что воздушные зазоры между отдельными участками магнитной цепи достаточно малы по сравнению с поперечными размерами сердечников и длиной силовой линии. Это позволяет считать, что в воздушном промежутке магнитное поле остается однородным, а падение магнитного напряжения на нем можно определить следующим образом: UMВ = HВ · lВ = BВ · lВ / μ0, где lВ − длина воздушного промежутка магнитной цепи; BВ = Ф / S − индукция магнитного поля в воздушном зазоре; Ф − магнитный поток сердечника; S − площадь поперечного сечения полюса сердечника; μ0 − магнитная проницаемость в вакууме.
В магнитных цепях из магнито-мягких материалов зависимость индукции в сердечнике от напряженности магнитного поля принято определять основной кривой намагничивания.
Законы магнитных цепей
При указанных выше допущениях на основании фундаментального закона магнитостатики − закона полного тока и принципа непрерывности линий вектора индукции магнитного поля получают уравнения для магнитных цепей, аналогичные по форме уравнениям электрических цепей:
- а) закон Ома для участка линейной цепи: Ф = UM / RM;
- б) первый закон Кирхгофа для узлов магнитной цепи: ΣФi = 0;
- в) второй закон Кирхгофа для любого замкнутого контура магнитной цепи: ΣFi = Σ(Iiwi) = ΣUMi = Σ(Hili), где F = Iiwi − намагничивающая сила.
Поэтому для расчета магнитных цепей могут быть использованы такие же методы, которые применяются и для расчета электрических цепей.
2. ПРИМЕРЫ РАСЧЕТА НЕРАЗВЕТВЛЕННЫХ МАГНИТНЫХ ЦЕПЕЙ
При расчете неразветвленных магнитных цепей приходится встречаться с двумя видами задач («прямая» и «обратная» задачи).
В «прямой» задаче необходимо определить намагничивающий ток или намагничивающую силу (НС) по заданному магнитному потоку, а в “обратной” − поток по заданной величине намагничивающей силы. В обоих случаях, как правило, известны геометрические размеры всех участков магнитной цепи, материалы, из которых они изготовлены, основные кривые намагничивания или петли гистерезиса и числа витков катушек.
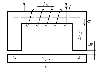
Рассмотрим неразветвленную магнитную цепь (

), состоящую из П-образного сердечника электромагнита и стальной пластины, замыкающей его концы. Между концами сердечника электромагнита и пластиной имеется воздушный зазор lВ. Размеры сердечника электромагнита и пластины, а также материалы, из которых они изготовлены, известны. Необходимо определить намагничивающий ток, при котором магнитный поток в воздушном зазоре Ф имеет заданное значение. Сечение сердечника электромагнита во всех частях одинаково и равно S1, а сечение пластины − S2.
При этих условиях всю магнитную цепь представим в виде трех последовательно соединенных участков: сердечника электромагнита, двух воздушных зазоров и стальной пластины с одинаковым потоком Ф. Для расчета магнитной цепи наметим среднюю магнитную линию и определим длины ее отдельных участков l1, 2l2 и lВ.
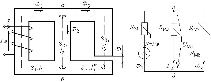
Эквивалентная схема
Неразветвленную магнитную цепь, изображенную на

, представим эквивалентной схемой (

), составленной из трех последовательно соединенных сопротивлений: RM1, RM2 и RMB и НС F = Iw. В этой схеме сопротивления RM1 и RM2 зависят от магнитного потока, а сопротивление RMB является величиной постоянной.
По второму закону Кирхгофа для магнитной цепи НС: F = Iw = H1l1 + H2l2 + HBlB.
Магнитные индукции определим по заданному значению магнитного потока как: B1 = Ф / S1; B2 = Ф / S2; BB = Ф / SB.
По найденным значениям магнитных индукций B1, B2 и основным кривым намагничивания для соответствующих материалов определим напряженности магнитного поля H1 и H2. Для воздушного зазора HB = BB / μ0, тогда намагничивающий ток I = (H1l1 + H2l2 + HBlB) / w.
Решение обратной задачи
Рассмотрим теперь ту же магнитную цепь (

), для которой требуется определить магнитный поток по заданному значению НС («обратная» задача). Эта задача в отличие от предыдущей не имеет «прямого» решения вследствие нелинейной связи между потоком и намагничивающим током.
Решение такой задачи можно выполнить, например, следующим методом. Сначала зададимся предполагаемым значением магнитного потока, например Ф′, затем, также, как и в предыдущей «прямой» задаче, найдем НС F′ = Σ(Hl)′ = (Iw)′. Если полученное значение НС совпадает с заданным, т.е. F = Iw, то задача решена. Однако такого совпадения после первой попытки обычно не получается. Поэтому следует задаться другими значениями магнитного потока: Ф′′, Ф′′′ и т.д., найти соответствующие значения НС (F′′ = (Iw)′′, F′′′ = (Iw)′′′) и т.д. и построить вспомогательную характеристику Ф = f(ΣHl).
Отложив на оси абсцисс величину заданной НС F = Iw (

) получим точку а, проведем из этой точки прямую, параллельную оси ординат, до пересечения с кривой Ф = f(ΣHl) в точке б. В результате получим отрезок аб, определяющий искомое значение магнитного потока.
Графическое суммирование
Так как магнитный поток во всех участках неразветвленной магнитной цепи один и тот же, то характеристика Ф = f(ΣHl) может быть построена по аналогии с неразветвленной электрической цепью графическим суммированием абсцисс прямой Ф = f(HBlB) и кривых Ф = f(H1l1) и Ф = f(H2l2) для одних и тех же значений магнитного потока.
Характеристика Ф = f(HBlB) − это прямая, проходящая через начало координат. Ее легко построить, если найти напряженность магнитного поля HB для какого-нибудь значения Ф: HB = Ф / (SB · μ0).
Характеристики Ф = f(H1l1) и Ф = f(H2l2) строятся при помощи основных кривых намагничивания для материалов первого и второго участков магнитной цепи. Для этого нужно умножить ординаты кривых намагничивания соответственно на сечения первого и второго участков (Ф = B · S), а абсциссы − на их длины (H · l).
3. ПРИМЕРЫ РАСЧЕТА РАЗВЕТВЛЕННЫХ МАГНИТНЫХ ЦЕПЕЙ
Расчеты разветвленных магнитных цепей основаны на применении законов Кирхгофа для магнитных цепей. Вследствие нелинейной связи между индукцией и напряженностью магнитного поля расчеты магнитных цепей обычно ведутся графоаналитическими методами аналогично методам расчета нелинейных электрических цепей.
При расчете магнитной цепи прежде всего нужно указать на схеме направления НС, если известны направления токов и расположение обмоток, или произвольно выбрать положительные направления НС, если они являются искомыми. Затем необходимо выбрать положительные направления магнитных потоков, после чего можно переходить к составлению эквивалентной схемы и ее расчету.
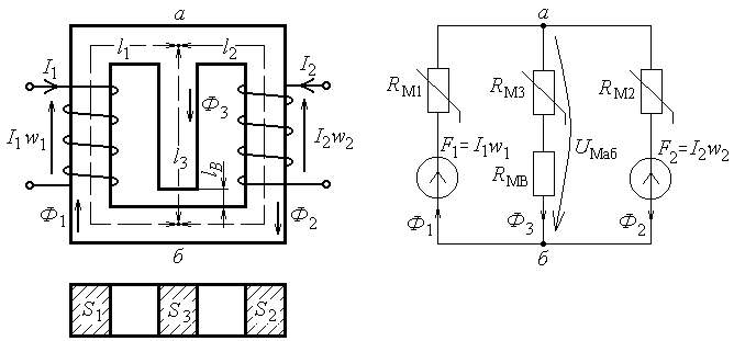
Пример разветвленной магнитной цепи с одной НС приведен на

. На

показана эквивалентная схема этой магнитной цепи. Для такой магнитной цепи возможен «прямой» расчет, если требуется определить НС по заданному значению потока в воздушном зазоре Ф3.
Методика расчета разветвленной цепи
По известному потоку Ф3 вычислим индукцию B3 = Ф3 / S3, по кривой намагничивания найдем напряженность магнитного поля H3 и по формуле HB = B3 / μ0 – напряженность поля в воздушном зазоре. Магнитное напряжение третьей ветви, т.е. между узлами «а» и «б», UMаб = ΣHl = H3l3 + HBlB. Так как вторая и третья ветви соединены параллельно, то и UMаб = H2l2. Вычислив H2 = UMаб / l2, по кривой намагничивания найдем B2.
Поток Ф2 = B2 · S2, а поток Ф1 = Ф2 + Ф3. Определив поток Ф1, вычислим магнитную индукцию B1 = Ф1 / S1 и по кривой намагничивания найдем напряженность магнитного поля H1. Тогда по второму закону Кирхгофа искомая НС F = Iw = H1l1 + UMаб.
Решение обратной задачи для разветвленной цепи
Рассмотрим порядок решения “обратной” задачи. Необходимо вычислить потоки в ветвях магнитной цепи (

) по заданной НС. Задача может быть решена графическим методом аналогично расчету цепи постоянного тока с нелинейными элементами.
Для решения задачи при помощи кривых намагничивания построим кривую Ф2 = f(UMаб) и зависимость Ф3 = f(UMаб) путем суммирования ординат прямой Ф3 = f(HBlB) и кривой Ф3 = f(H3l3) (где l3 = l′ + l′′) для одних и тех же значений магнитного потока Ф3. Суммированием ординат кривых Ф2 = f(UMаб) и Ф3 = f(UMаб) для одних и тех же значений магнитного напряжения UMаб получим кривую Ф2+3 = f(UMаб).
Выполненные построения эквивалентны замене двух параллельных ветвей с сопротивлениями RM2 и (RM3 + RMB) (

) одним нелинейным сопротивлением, характеристикой которого и является кривая Ф2+3 = f(UMаб).
