- Графическое определение потоков
- ПРИМЕР ЧИСЛЕННОГО РАСЧЕТА ПОТОКОВ В РАЗВЕТВЛЕННОЙ МАГНИТНОЙ ЦЕПИ (“обратная” задача)
- Порядок решения задачи
- Таблица 2. Результаты вычислений
- Завершение расчета
- ПРИМЕР РАСЧЕТА МДС В РАЗВЕТВЛЕННОЙ МАГНИТНОЙ ЦЕПИ ПО ЗАДАННОМУ МАГНИТНОМУ ПОТОКУ (“прямая” задача)
- Порядок решения
- СПИСОК ЛИТЕРАТУРЫ
- ПРИЛОЖЕНИЕ 1. ЗАДАНИЕ ПО РАСЧЕТУ РАЗВЕТВЛЕННОЙ МАГНИТНОЙ ЦЕПИ
Графическое определение потоков
Дальнейшие построения для полученной неразветвленной цепи можно выполнить построением характеристики Ф1 = f(UMаб), где UMаб = Iw — H1l1 (

). Точка m1 пересечения кривой Ф1 = f(UMаб) с кривой Ф2+3 = f(UMаб) определяет магнитное напряжение UMаб между точками а и б и поток Ф1. Ординаты точек пересечения m2 и m3 вертикальной прямой m1-m с кривыми Ф2 = f(UMаб) и Ф3 = f(UMаб) дают соответственно потоки Ф2 и Ф3.
ПРИМЕР ЧИСЛЕННОГО РАСЧЕТА ПОТОКОВ В РАЗВЕТВЛЕННОЙ МАГНИТНОЙ ЦЕПИ (“обратная” задача)
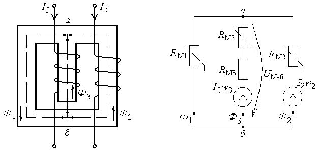
Рассмотрим расчет разветвленной магнитной цепи, показанной на [IMAGE_7]. Сердечник магнитной цепи выполнен из электротехнической стали марки 1512. Основная кривая намагничивания этой стали задана в виде табл. 1. Рассчитать магнитные потоки и индукции во всех участках цепи, если сечения участков S1=S2=5 см2, S3=10 см2; длины участков l1=30 см, l2=40 см, l3=10 см, lВ=0,2 мм; намагничивающие силы обмоток I1w1=440 А, I2w2=280 А.
| В, Тл | 0 | 0,5 | 0,6 | 0,7 | 0,8 | 0,9 | 1,0 | 1,1 | 1,2 | 1,4 |
|---|---|---|---|---|---|---|---|---|---|---|
| Н, А/м | 0 | 55 | 70 | 90 | 120 | 155 | 200 | 350 | 500 | 1600 |
Порядок решения задачи
- Укажем направления действия НС обмоток и зададимся положительными направлениями магнитных потоков Ф1, Ф2 и Ф3.
- Составим эквивалентную схему магнитной цепи ([IMAGE_8]).
- На основании первого и второго законов Кирхгофа для схемы ([IMAGE_8]) составим следующие уравнения:
- Ф1 = Ф2 + Ф3
- I1w1 = H1l1 + UMаб
- I2w2 = H2l2 — UMаб
- UMаб = H3l3 + HBlB
- Решение данной задачи проведем графическим методом. Чтобы решить полученную систему уравнений, построим зависимости потоков в участках цепи от магнитного напряжения между узлами а, б:
- Ф1 = f(UMаб) = f(I1w1 — H1l1)
- Ф2 = f(UMаб) = f(I2w2 — H2l2)
- Ф3 = f(UMаб) = f(H3l3 + HBlB)
С этой целью зададимся рядом значений индукции в участках цепи, по кривой намагничивания определим соответствующие значения напряженности магнитного поля. На воздушном участке магнитной цепи HB [А/м] = B / μ0 = B / (4π · 10-7) ≈ B · 8 · 105 [Тл]. По известным значениям напряженности магнитного поля на участках цепи вычислим магнитное напряжение Hl и соответствующие значения потоков Ф = B · S. Результаты вычислений представлены в табл. 2.
Таблица 2. Результаты вычислений
| B, Тл | H, A/м | Ф1=Ф2=B1S1=B2S2, Фб·10-5 | H1l1, A | UMab=I1w1-H1l1, A | H2l2, A | UMab=I2w2+H2l2, A | Ф3=B3S3, Фб·10-5 | H3l3, A | HBlB, A | UMab=H3l3+HBlB, A |
|---|---|---|---|---|---|---|---|---|---|---|
| 0 | 0 | 0 | 0 | 440 | 0 | 280 | 0 | 0 | 0 | 0 |
| 0,5 | 55 | 25 | 16,5 | 423,5 | 22 | 302 | 50 | 5,5 | 80 | 85,5 |
| 0,6 | 70 | 30 | 21,0 | 419 | 28 | 308 | 60 | 7 | 96 | 103 |
| 0,7 | 90 | 35 | 27,0 | 413 | 36 | 316 | 70 | 9 | 112 | 121 |
| 0,8 | 120 | 40 | 36,0 | 404 | 48 | 328 | 80 | 12 | 128 | 140 |
| 0,9 | 155 | 45 | 46,5 | 393,5 | 62 | 342 | 90 | 15 | 144 | 159 |
| 1,0 | 200 | 50 | 60,0 | 380 | 80 | 360 | 100 | 20 | 160 | 180 |
| 1,1 | 350 | 55 | 105 | 335 | 140 | 420 | 110 | 35 | 176 | 211 |
| 1,2 | 500 | 60 | 150 | 290 | 200 | 480 | 120 | 50 | 192 | 242 |
| 1,4 | 1600 | 70 | 480 | -40 | 640 | 920 | 140 | 160 | 224 | 384 |
| 1,5 | 2750 | 75 | 825 | -385 | 1100 | 1380 | 150 | 275 | 240 | 515 |
Завершение расчета
По данным табл. 2 строим кривые Ф1=f(UMаб), Ф2=f(UMаб) и Ф3=f(UMаб). Так как значения магнитных потоков должны удовлетворять уравнению Ф1 = Ф2 + Ф3, то построим еще одну вспомогательную кривую Ф2+3=f(UMаб). Для этого просуммируем ординаты кривых Ф2 и Ф3 для одних и тех же значений магнитного напряжения UMаб. Ордината точки m1 пересечения кривых Ф2+3 с кривой Ф1 определит величину потока Ф1 = 68·10-5 Вб.
Чтобы найти потоки Ф2 и Ф3 проведем через точку m1 прямую, параллельную оси ординат, до пересечения с кривыми Ф2 и Ф3. В результате получаются отрезки m1m2 и m1m3, определяющие потоки Ф2 = -47·10-5 Вб и Ф3 = -115·10-5 Вб. Зная потоки, легко определить магнитные индукции: B1 = 1,36 Тл; B2 = 0,94 Тл; B3 = 1,15 Тл.
ПРИМЕР РАСЧЕТА МДС В РАЗВЕТВЛЕННОЙ МАГНИТНОЙ ЦЕПИ ПО ЗАДАННОМУ МАГНИТНОМУ ПОТОКУ (“прямая” задача)
Магнитная цепь приведена на [IMAGE_9]. Геометрические размеры и материал указаны в предыдущем примере. Намагничивающие обмотки расположены на втором и третьем стержнях, причем МДС обмотки, расположенной на втором стержне равна I2w2 = 200 А, а магнитный поток первой ветви Ф1 = 60·10-5 Вб. Требуется определить ток I3, если I1w1 = 180 А.
Для решения задачи необходимо знать направления Ф1, I2w2, I3w3. Пусть поток Ф1 и МДС обмоток возбуждения направлены так, как указано на [IMAGE_10].
Порядок решения
- Для схемы замещения данной магнитной цепи ([IMAGE_10]) составим уравнения по первому и второму законам Кирхгофа:
- Ф1 = Ф2 + Ф3
- UMаб = H1l1 — I1w1
- UMаб = I2w2 — H2l2
- UMаб = H3l3 + HBlB — I3w3
- Для решения этой системы нелинейных уравнений необходимо построить вебер-амперные характеристики первой, второй и третьей ветвей рассматриваемой магнитной цепи.
- По заданному потоку Ф1 и вебер-амперной характеристике Ф1=f(UMаб) находим UMаб = 150 А.
- Построим зависимости Ф1 и Ф2 от UMаб, используя уравнения UMаб = I2w2 — H2l2, UMаб = H1l1 — I1w1, и по уже известному значению UMаб определим потоки во второй и третьей ветвях. Поток Ф2 найдем из кривой Ф2=f(UMаб), а поток Ф3 − как разность отрезков Ф1 и Ф2: Ф3 = Ф1 — Ф2 = 60·10-5 — 40·10-5 = 20·10-5 Вб.
- По вебер-амперной характеристике Ф3=f(UMаб) для Ф3 = 20·10-5 Вб определим UMаб = 30 А.
- Из уравнения UMаб = I3w3 — H3l3 (или аналогичного) вычисляем I3w3 = UMаб + H3l3 = 150 + 30 = 180 А.
В приложении 1 приведены варианты индивидуальных заданий по расчету разветвленных магнитных цепей.
СПИСОК ЛИТЕРАТУРЫ
- Нейман Л.P., Демирчян К.С. Теоретические основы электротехники: В 2-х т. Учебник для вузов. Том 2. – 3-е изд., перераб. и доп. − Л.: Энергоиздат. Ленингр. отд-ние, 1981. − 416 с.
- Бессонов Л.А. Теоретические основы электротехники. Электрические цепи: Учеб. для вузов – 9-е изд., перераб. доп. − М.: Высш. шк., 1996. 638 с.
- Основы теории цепей: Учебник для вузов / Г. В. Зевеке, П. А. Ионкин, А. В. Нетушил, С. В. Страхов. – 5-е изд., перераб. – М.: Энергоатомиздат, 1989. – 538 с.
ПРИЛОЖЕНИЕ 1. ЗАДАНИЕ ПО РАСЧЕТУ РАЗВЕТВЛЕННОЙ МАГНИТНОЙ ЦЕПИ
Рассчитать магнитные потоки и индукцию во всех участках разветвленной магнитной цепи, состоящей из трех ветвей, одна из которых имеет воздушный зазор (см. [IMAGE_7]). Исходные данные к индивидуальному заданию приведены в табл. 1(П1) и 2(П1).
| № | l1, см | l2, см | l3, см | lВ, см | S1, см2 | S2, см2 | S3, см2 | Номер стержня с воздушным зазором |
|---|---|---|---|---|---|---|---|---|
| 1 | 24 | 16 | 8 | 0,02 | 10 | 10 | 20 | 1 |
| 2 | 24 | 20 | 10 | 0,04 | 12 | 12 | 24 | 2 |
| 3 | 24 | 24 | 12 | 0,06 | 14 | 14 | 28 | 3 |
| 4 | 24 | 16 | 8 | 0,02 | 10 | 10 | 20 | 1 |
| 5 | 24 | 20 | 10 | 0,04 | 12 | 12 | 24 | 2 |
| 6 | 24 | 24 | 12 | 0,06 | 14 | 14 | 20 | 3 |
| 7 | 24 | 16 | 8 | 0,02 | 10 | 10 | 20 | 1 |
| 8 | 24 | 20 | 10 | 0,04 | 12 | 12 | 24 | 2 |
| 9 | 24 | 24 | 12 | 0,06 | 14 | 14 | 28 | 3 |
| 10 | 24 | 20 | 10 | 0,04 | 12 | 12 | 24 | 2 |
| 11 | 24 | 24 | 12 | 0,06 | 14 | 14 | 28 | 3 |
| 12 | 24 | 16 | 8 | 0,02 | 10 | 10 | 20 | 1 |
| 13 | 24 | 20 | 10 | 0,04 | 12 | 12 | 24 | 2 |
| 14 | 24 | 16 | 8 | 0,02 | 10 | 10 | 20 | 1 |
| 15 | 24 | 20 | 10 | 0,04 | 12 | 12 | 24 | 2 |
| 16 | 24 | 24 | 12 | 0,06 | 14 | 14 | 28 | 3 |
| 17 | 24 | 16 | 8 | 0,02 | 10 | 10 | 20 | 1 |
| 18 | 24 | 20 | 10 | 0,04 | 12 | 12 | 24 | 2 |
| 19 | 24 | 24 | 12 | 0,06 | 14 | 14 | 20 | 3 |
| 20 | 24 | 16 | 8 | 0,02 | 10 | 10 | 20 | 1 |
| № | 1 | 2 | 3 | 4 | 5 | 6 | 7 | 8 | 9 | 10 |
|---|---|---|---|---|---|---|---|---|---|---|
| I1w1, A | 500 | 400 | 300 | 0 | 0 | 0 | 200 | 400 | 600 | 800 |
| I2w2, A | 200 | 600 | 800 | 500 | 400 | 400 | 0 | 0 | 0 | 0 |
| I3w3, A | 0 | 0 | 0 | 200 | 600 | 500 | 500 | 600 | 400 | 300 |
| № | 11 | 12 | 13 | 14 | 15 | 16 | 17 | 18 | 19 | 20 |
|---|---|---|---|---|---|---|---|---|---|---|
| I1w1, A | 500 | 400 | 300 | 0 | 0 | 0 | 200 | 400 | 600 | 800 |
| I2w2, A | 200 | 600 | 800 | 500 | 400 | 400 | 0 | 0 | 0 | — |
| I3w3, A | 0 | 0 | 0 | 200 | 600 | 500 | 500 | 600 | 400 | 300 |
Примечания: а) вариант задания определяется по сумме двух последних цифр номера зачетной книжки из таблиц 1(П1) и 2(П1); б) материал стали сердечников выбирать по заданию преподавателя; в) направления МДС и потоков выбрать произвольно.
