Данная выпускная квалификационная работа посвящена обоснованию технологических решений для повышения эффективности использования попутного нефтяного газа (ПНГ) на Ново-Уренгойском месторождении. В работе проанализированы геолого-технологические условия разработки, выявлены проблемы эксплуатации газоперерабатывающего завода при снижении объемов добычи ПНГ и предложены методы модернизации установки низкотемпературной конденсации, включая экономическое обоснование и оценку промышленной безопасности.
- Титульный лист
- Задание на выполнение ВКР
- РЕФЕРАТ
- СОДЕРЖАНИЕ
- ОБОЗНАЧЕНИЯ И СОКРАЩЕНИЯ
- ВВЕДЕНИЕ
- 1. Общие сведения о Ново-Уренгойском месторождении
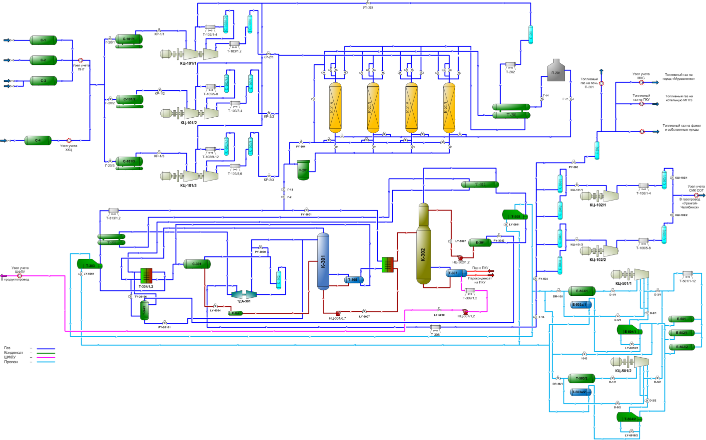
- Технологическая цепочка сбора и подготовки ПНГ
- ВЫВОД ПО ГЛАВЕ 1
- 2. Геолого-технологические условия разработки
- Таблица 2.2 — Сводная геолого-физическая характеристика
- Динамика и состояние разработки
- 3. Технологическое обоснование проектных работ
- Обоснование проектных работ
- Экономический эффект
- 4. Безопасность проектных работ
- 5. Экологичность и 6. Экономическая эффективность
- ЗАКЛЮЧЕНИЕ и СПИСОК ЛИТЕРАТУРЫ
Титульный лист
Министерство науки и высшего образования Российской Федерации
Институт нефти и газа федерального государственного бюджетного образовательного учреждения высшего образования «Уфимский государственный нефтяной технический университет» (филиал в г. Октябрьском)
Кафедра разведки и разработки нефтяных и газовых месторождений
УДК ХХХХХХ
К ЗАЩИТЕ ДОПУЩЕНА
И.о. зав. каф. РРНГМ
_____________ О.А. Грезина
ОБОСНОВАНИЕ МЕТОДОВ ИСПОЛЬЗОВАНИЯ ПОПУТНОГО НЕФТЯНОГО ГАЗА НА НОВО-УРЕНГОЙСКОМ МЕСТОРОЖДЕНИИ
Выпускная квалификационная работа (дипломный проект)
21.05.06 Нефтегазовые техника и технологии
«Разработка и эксплуатация нефтяных и газовых месторождений»
Тип задач профессиональной деятельности – проектный (технологический и конструкторский)
Студент группы ГРсз-21-11: С.И. Машин
Руководитель ВКР: доц., канд. техн. наук И.Г. Фаттахов
Консультанты по разделам ВКР:
«Безопасность проектных работ»: доц., канд. техн. наук Р.Р. Шангареев
«Экологичность проектных работ»: доц., канд. техн. наук Р.Р. Шангареев
«Экономическая эффективность проектных работ»: доц., канд. экон. наук З.А. Гарифуллина
Нормоконтроль: Х.Х. Хххххххх
Октябрьский 2025
Задание на выполнение ВКР
Студент: Машин Сергей Иванович (группа ГРсз-21-11)
Тема: «Обоснование методов использования попутного нефтяного газа на Ново-Уренгойском месторождении»
Исходные данные: 1) материалы практики; 2) государственные стандарты, проектные документы, отчетные документы, руководящие документы, специальная литература.
Перечень структурных элементов: СОДЕРЖАНИЕ, РЕФЕРАТ, ВВЕДЕНИЕ, 1 Общие сведения о месторождении, 2 Ингибирование скважинной продукции, 3 Технико-экономическое обоснование бурения бокового ствола, 4 Безопасность проектных работ, ЗАКЛЮЧЕНИЕ, СПИСОК ИСТОЧНИКОВ, СПИСОК ИЛЛЮСТРАЦИЙ, ПРИЛОЖЕНИЯ.
РЕФЕРАТ
Дипломный проект 64 л., рис., табл., 12 источников, 1 прил.
Ключевые слова: Попутный нефтяной газ (ПНГ), утилизация ПНГ, Ново-Уренгойское месторождение, газоперерабатывающий завод (ГПЗ), низкотемпературная конденсация (НТК), широкая фракция легких углеводородов (ШФЛУ), сухой отбензиненный газ (СОГ), осушка газа, экономическая эффективность, промышленная безопасность.
Объект исследования: Процесс сбора, подготовки и использования попутного нефтяного газа на Ново-Уренгойском месторождении.
Цель работы: Обоснование технологических решений, направленных на повышение эффективности использования попутного нефтяного газа на Ново-Уренгойском месторождении в условиях падающей добычи.
СОДЕРЖАНИЕ
- ВВЕДЕНИЕ 6
- 1. Общие сведения о Ново-Уренгойском месторождении 8
- ВЫВОД ПО ГЛАВЕ 1 16
- 2. Геолого-технологические условия разработки 17
- 2.2. Динамика и состояние разработки 22
- ВЫВОД ПО 2 ГЛАВЕ 26
- 3. Технологическое обоснование проектных работ 27
- 3.1. Фактические результаты и методы утилизации 27
- 3.2. Обоснование проектных работ 37
- ВЫВОД ПО 3 ГЛАВЕ 47
- 4. Безопасность проектных работ 48
- 5. Экологичность проектных работ 53
- 6. Экономическая эффективность проектных работ 56
- ЗАКЛЮЧЕНИЕ 61
- СПИСОК ЛИТЕРАТУРЫ 62
- Приложение А 63
ОБОЗНАЧЕНИЯ И СОКРАЩЕНИЯ
АСУ ТП — Автоматизированная система управления технологическим процессом
ГГС — Газогидростатическая система
ГНК — Газонефтяной контакт
ГПЗ — Газоперерабатывающий завод
ГПЭС — Газопоршневая электростанция
ГС — Газовый сепаратор
ГТС — Газотранспортная система
ГТЭС — Газотурбинная электростанция
ДГУ — Дизель-генераторная установка
ДНС — Дожимная насосная станция
ДП — Дипломный проект
ДЭГ — Диэтиленгликоль
МДЭА — Метилдиэтаноламин
ММП — Многолетнемёрзлые породы
МТР — Материально-технические ресурсы
ТЭГ — Триэтиленгликоль
ВВЕДЕНИЕ
Природный газ, получаемый с промыслов, содержит посторонние примеси: твердые частицы, конденсат тяжелых углеводородов, водяные пары, сероводород и углекислый газ. Присутствие твердых частиц приводит к износу компрессоров и засорению арматуры. Влага в определенных условиях приводит к образованию гидратов, способных закупорить трубопровод.
Подготовка газа осуществляется на промысловых газовых сборных пунктах методами низкотемпературной сепарации, абсорбции и адсорбции. Существует два способа осушки: твердыми поглотителями (адсорбция) и жидкими поглотителями (абсорбция).
Цель работы: раскрытие проблемы появления загрязненного попутного нефтяного газа и технологии метода гликолевой осушки газа.
1. Общие сведения о Ново-Уренгойском месторождении
Новоуренгойское месторождение расположено в северной части Западно-Сибирской равнины, в бассейне реки Пур.

Климат резко континентальный, среднегодовая температура -7.8°С. Геокриологические условия характеризуются наличием многолетнемерзлых пород мощностью до 200 метров.
Основные направления утилизации ПНГ:
- Закачка в пласт для поддержания пластового давления (ППД).
- Генерация электроэнергии (Gas-to-Power).
- Переработка на газоперерабатывающих заводах (ГПЗ).
- Подача в магистральный газопровод.
- Сжижение (GTL) и производство метанола.

Технологическая цепочка сбора и подготовки ПНГ
На кустовых насосных станциях (КНС) и установках подготовки нефти (УПН) производится многоступенчатая сепарация. Для транспортировки ПНГ применяются поршневые, винтовые и центробежные компрессоры.

Осушка газа:
- Адсорбционная осушка на цеолитах или силикагеле.
- Абсорбционная осушка гликолями (триэтиленгликоль — ТЭГ).

Таблица 1.1 — Сравнительный анализ методов подготовки попутного нефтяного газа
| Технологический процесс | Достоинства | Недостатки |
|---|---|---|
| Сепарация | Высокая эффективность | Ограниченность при высоких газосодержаниях |
| Винтовой компрессор | Надежность | Ограниченная мощность |
| Абсорбционная осушка | Низкие затраты | Ограниченная глубина осушки |
| Адсорбционная осушка | Глубокая осушка | Высокие затраты |
ВЫВОД ПО ГЛАВЕ 1
Ново-Уренгойское месторождение расположено в регионе с экстремальными условиями. Проблема утилизации ПНГ является актуальной. Оптимальными технологиями для условий месторождения являются: использование винтовых компрессоров, абсорбционная осушка ТЭГ и турбодетандерная низкотемпературная конденсация (НТК).
2. Геолого-технологические условия разработки
Ново-Уренгойское НГКМ расположено в Пуровском районе ЯНАО. В тектоническом плане представляет собой крупную брахиантиклинальную складку.

Таблица 2.1 — Сводный литолого-стратиграфический разрез
| Система | Свита | Характеристика |
|---|---|---|
| Мел | Покурская | Пески, алевролиты |
| Юра | Тюменская | Переслаивание песчаников |
Таблица 2.2 — Сводная геолого-физическая характеристика
| Параметр | Сеноманский | Неокомский | Ачимовский |
|---|---|---|---|
| Пористость, % | 25-32 | 18-24 | 14-20 |
| Проницаемость, мД | 500-1500 | 50-300 | 1-50 |
Анализ показывает, что сеноманские отложения содержат сухой газ, а неокомские и ачимовские — газоконденсат с нефтяными оторочками.
Динамика и состояние разработки
Месторождение находится на поздней стадии разработки. Основная добыча началась в 1978 году. Проектный документ: «Актуализированный технологический регламент разработки Ново-Уренгойского НГКМ» (2019/2021 гг.).
Таблица 1 — Динамика основных показателей
| Показатель | 2012 | 2015 | 2018 | 2021 |
|---|---|---|---|---|
| Добыча газа, млрд м³ | 285 | 312 | 268 | 238 |
| Добыча конденсата, млн т | 5,1 | 6,0 | 4,8 | 4,2 |
3. Технологическое обоснование проектных работ
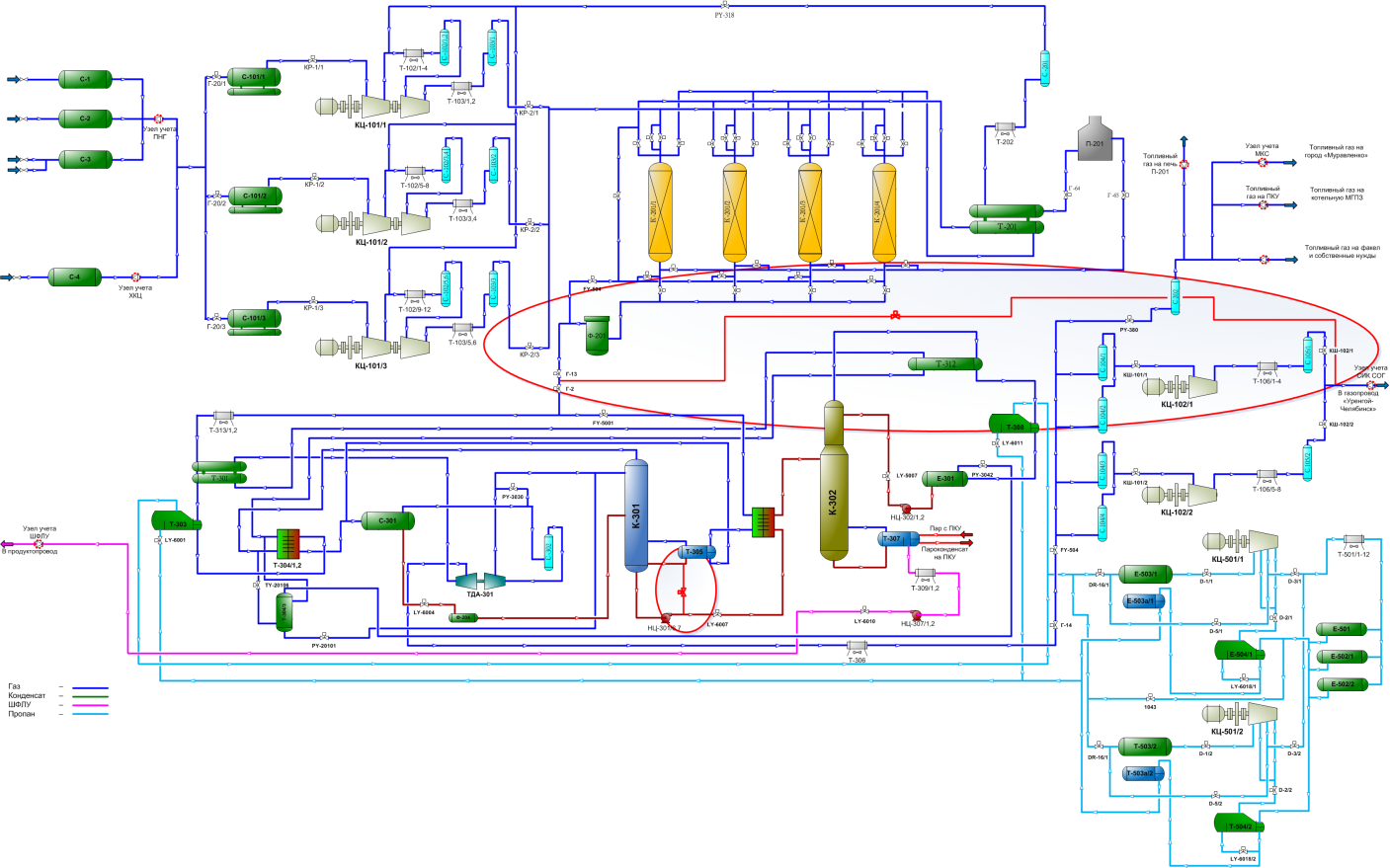
Анализ работы ГПЗ выявил проблемы при снижении нагрузки: падение эффективности НТК и недозагрузка дожимного компрессора.
Методы утилизации:

Осушка газа:


Процесс Серокс:

Обоснование проектных работ
Предлагается модернизация схемы НТК: монтаж линии рециркуляции СОГ и байпасной линии насоса НЦ-301.


Таблица 2.2 — Затраты на реализацию проекта
| Наименование работ | Затраты, тыс. руб |
|---|---|
| ПИР | 1500 |
| Оборудование | 8845 |
| СМР | 6820 |
| ИТОГО | 23461 |
Экономический эффект
Таблица 2.4 — Расчет экономического эффекта
| Показатель | Значение |
|---|---|
| Эффект, млн. руб. | 56,9 |
| Затраты, млн. руб. | 23,5 |
| Чистый эффект, млн. руб. | 33,4 |
4. Безопасность проектных работ
Основные опасности: взрывопожароопасность, удушающее действие, токсичность (H₂S), высокое давление. Меры безопасности: взрывозащищенное оборудование, газоанализаторы, предохранительные клапаны, СИЗ.
5. Экологичность и 6. Экономическая эффективность
Экологический эффект достигается за счет сокращения сжигания ПНГ. Экономический эффект: совокупный годовой эффект 61,7 млн руб., срок окупаемости 4,5 месяца.
ЗАКЛЮЧЕНИЕ и СПИСОК ЛИТЕРАТУРЫ
В результате работы обоснованы методы модернизации ГПЗ, позволяющие повысить извлечение ШФЛУ. Список литературы включает 12 источников, включая работы Лутошкина Г.С., Книжникова А. и др.
